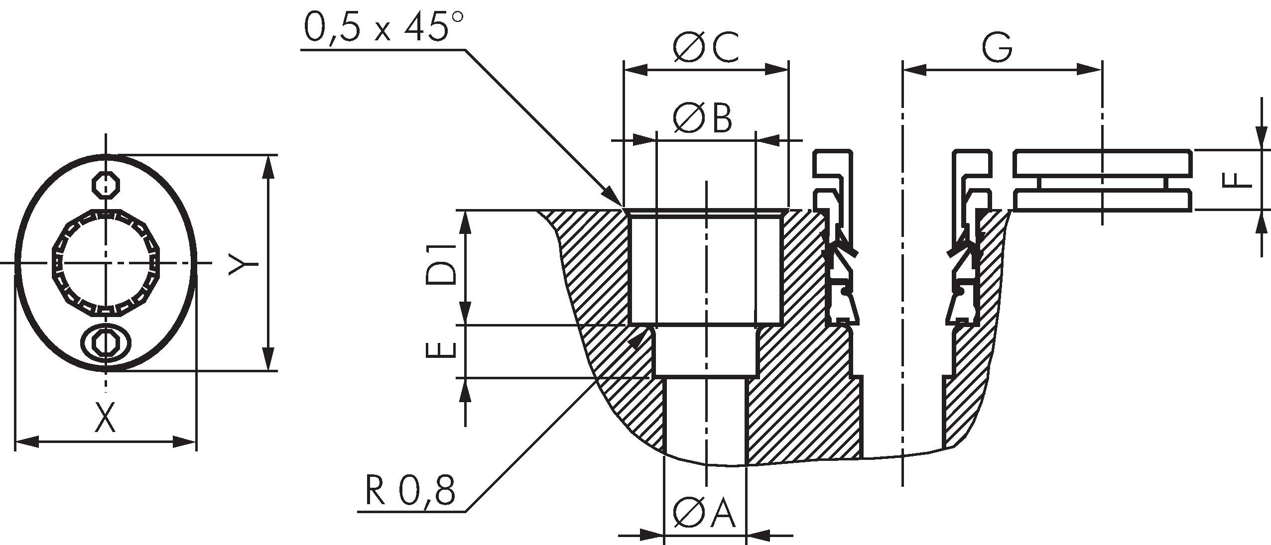
Einpresspatrone 6mm Steckanschluss, Messing vernickelt

{{ $t('shop.all.artikelnummer') }}:

IQSE 60 MSV

Zubehör

Zahlungsmöglichkeiten:

Nachnahme

Rechnung