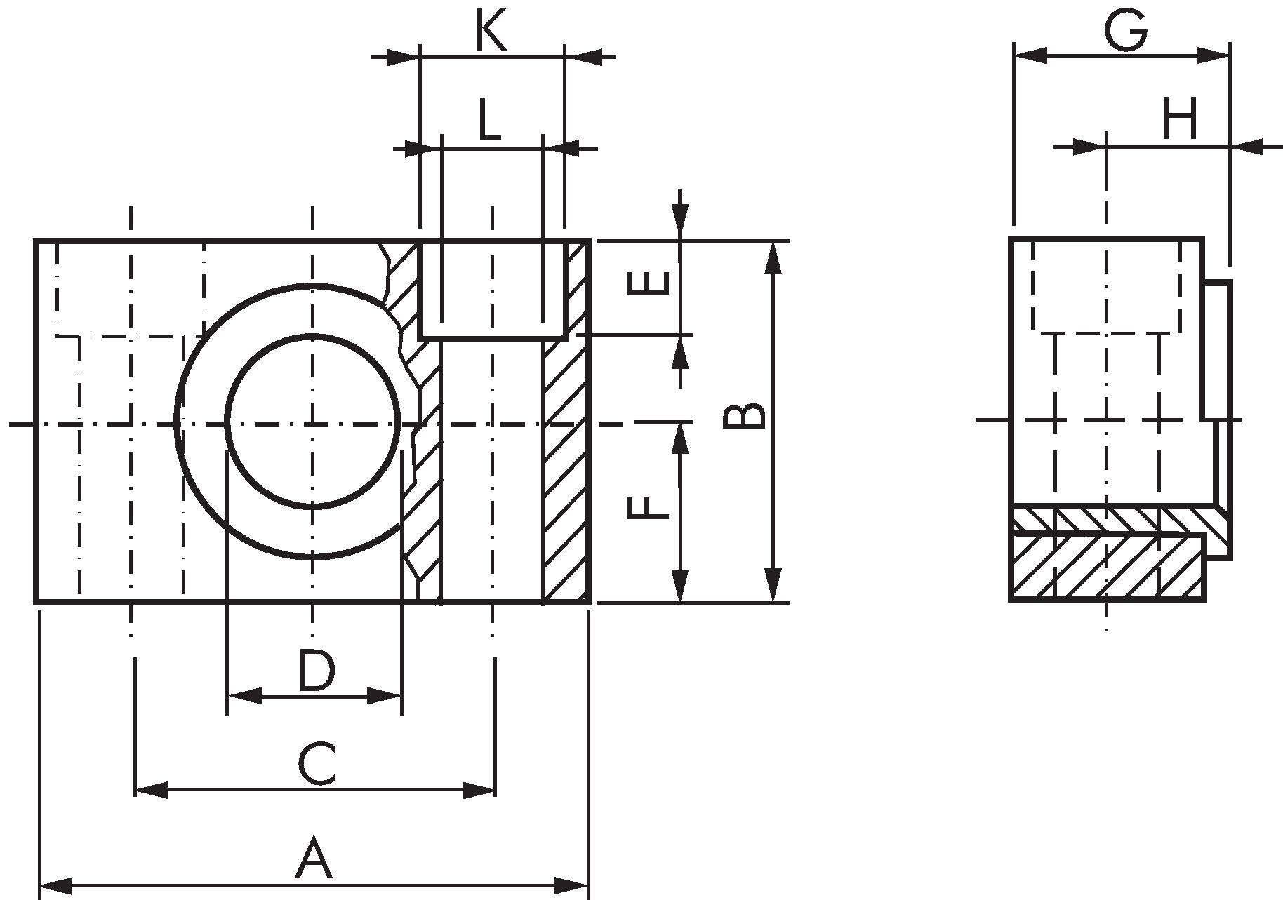
2 pcs. Bearing block for centre swivel fasten. 100 & 125 mm

{{ $t('shop.all.artikelnummer') }}:

TL 100

Accessories

Payment options:

Cash on delivery

Invoice