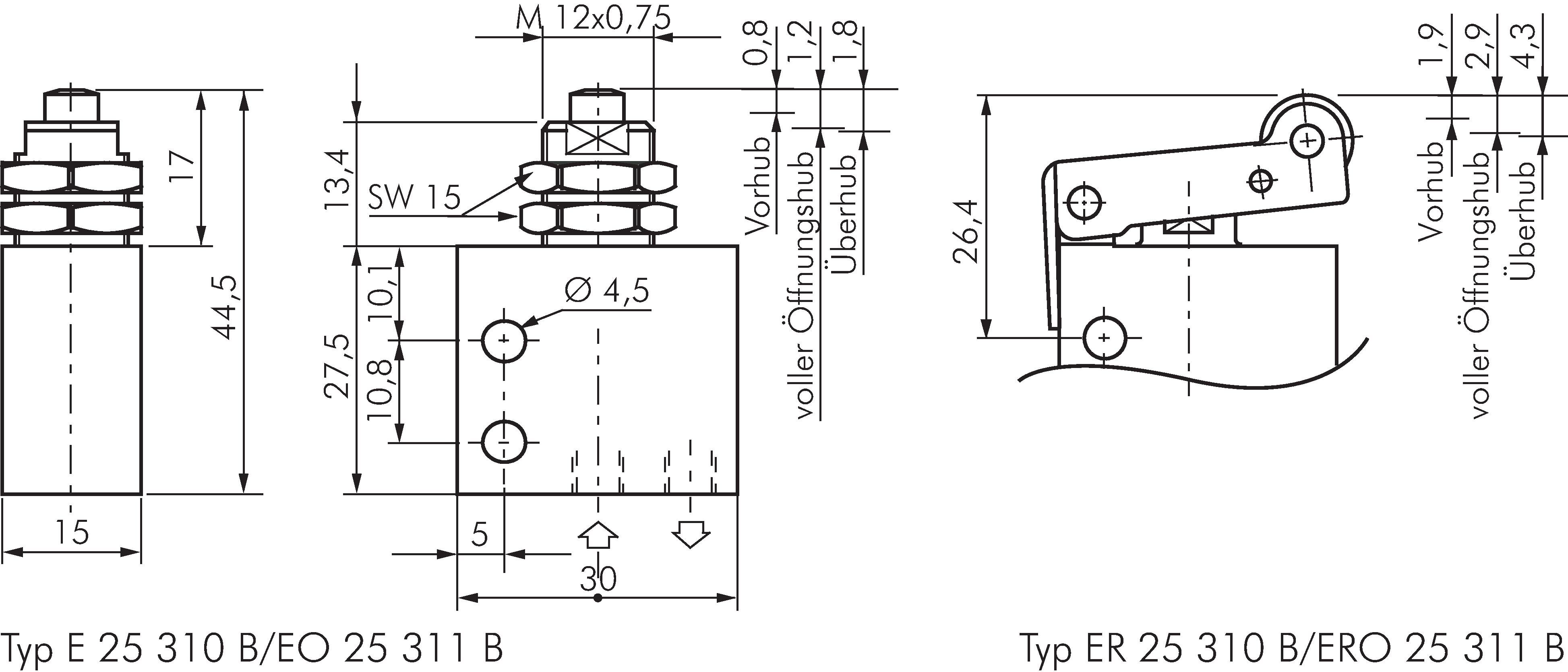
3/2-way (NC) Limit switch with Cam, M 5

{{ $t('shop.all.artikelnummer') }}:

E 25 310 B

Accessories

Payment options:

Cash on delivery

Invoice