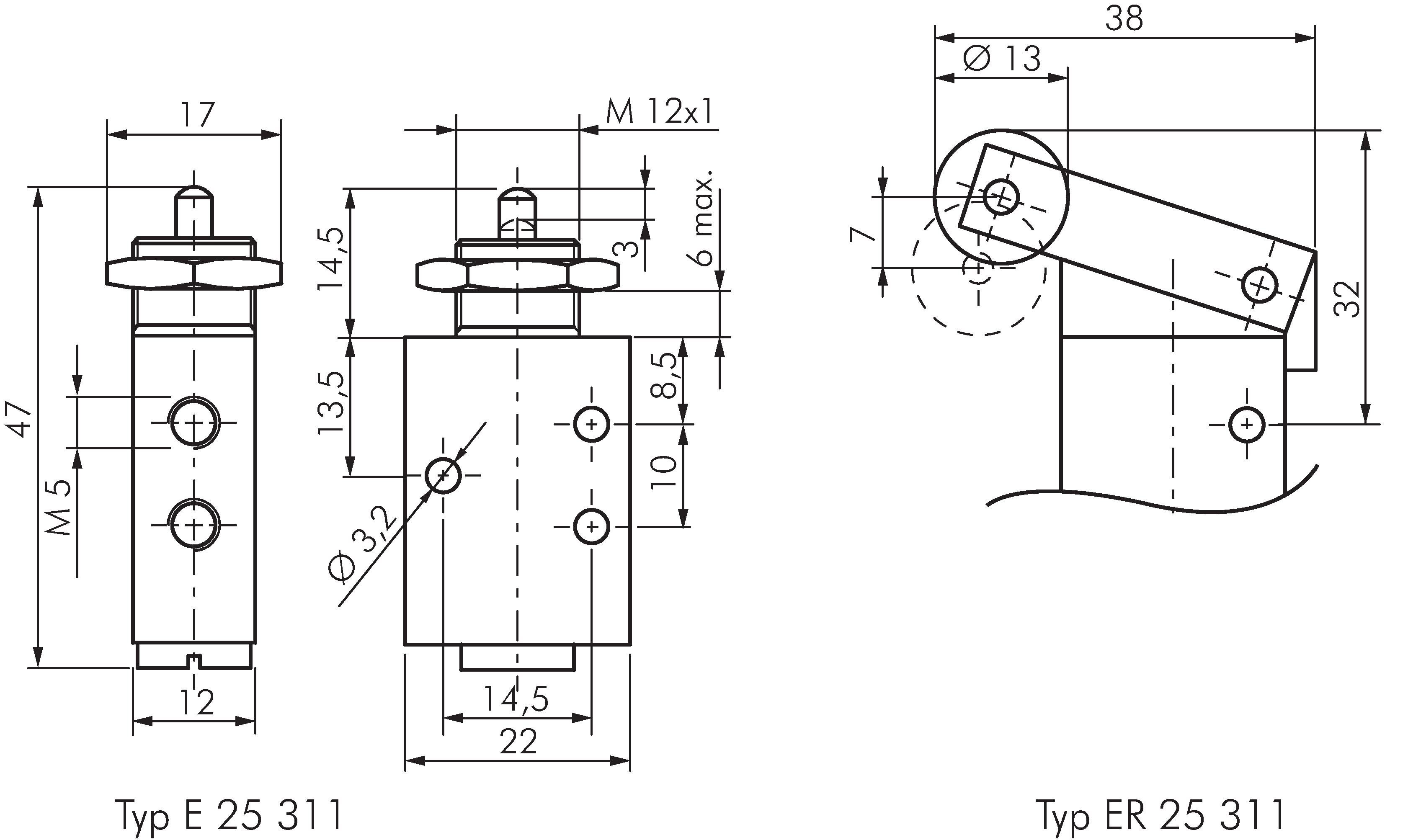
3/2-way (NC/NO) Limit switch with Roller lever, M 5

{{ $t('shop.all.artikelnummer') }}:

ER 25 311

Accessories

Payment options:

Cash on delivery

Invoice