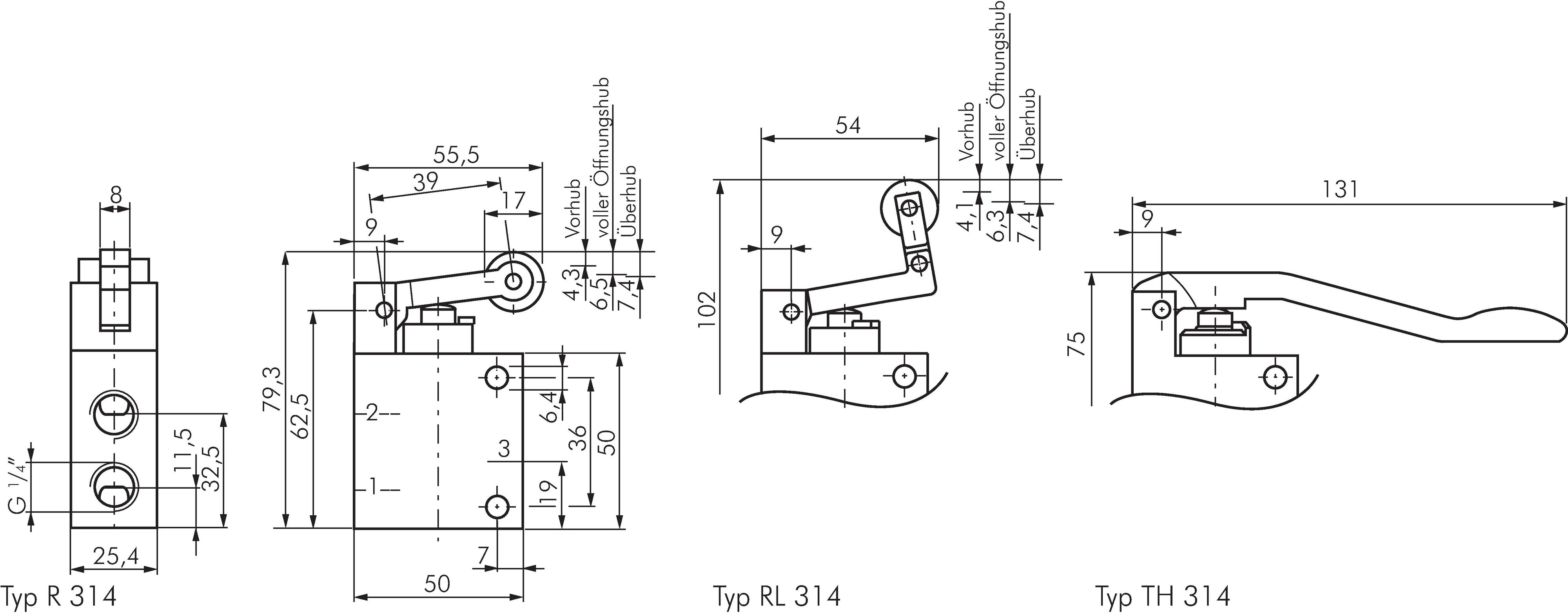
3/2-way (NC/NO) valve with Idle return roller, G 1/4"

{{ $t('shop.all.artikelnummer') }}:

RL 314

Accessories

Payment options:

Cash on delivery

Invoice