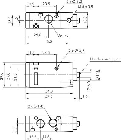
3/2-way pneumatic valve, G 1/8", open (NO)

{{ $t('shop.all.artikelnummer') }}:

SFP2701

Accessories

Payment options:

Cash on delivery

Invoice