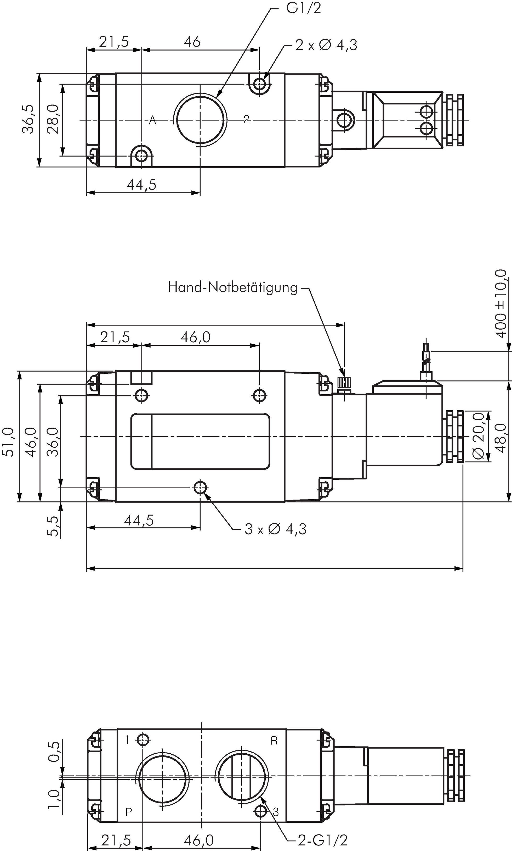
3/2-way solenoid valve, G 1/2", closed (NC), 230 V AC

{{ $t('shop.all.artikelnummer') }}:

SF6601 IPSC-A2

Accessories

Payment options:

Cash on delivery

Invoice