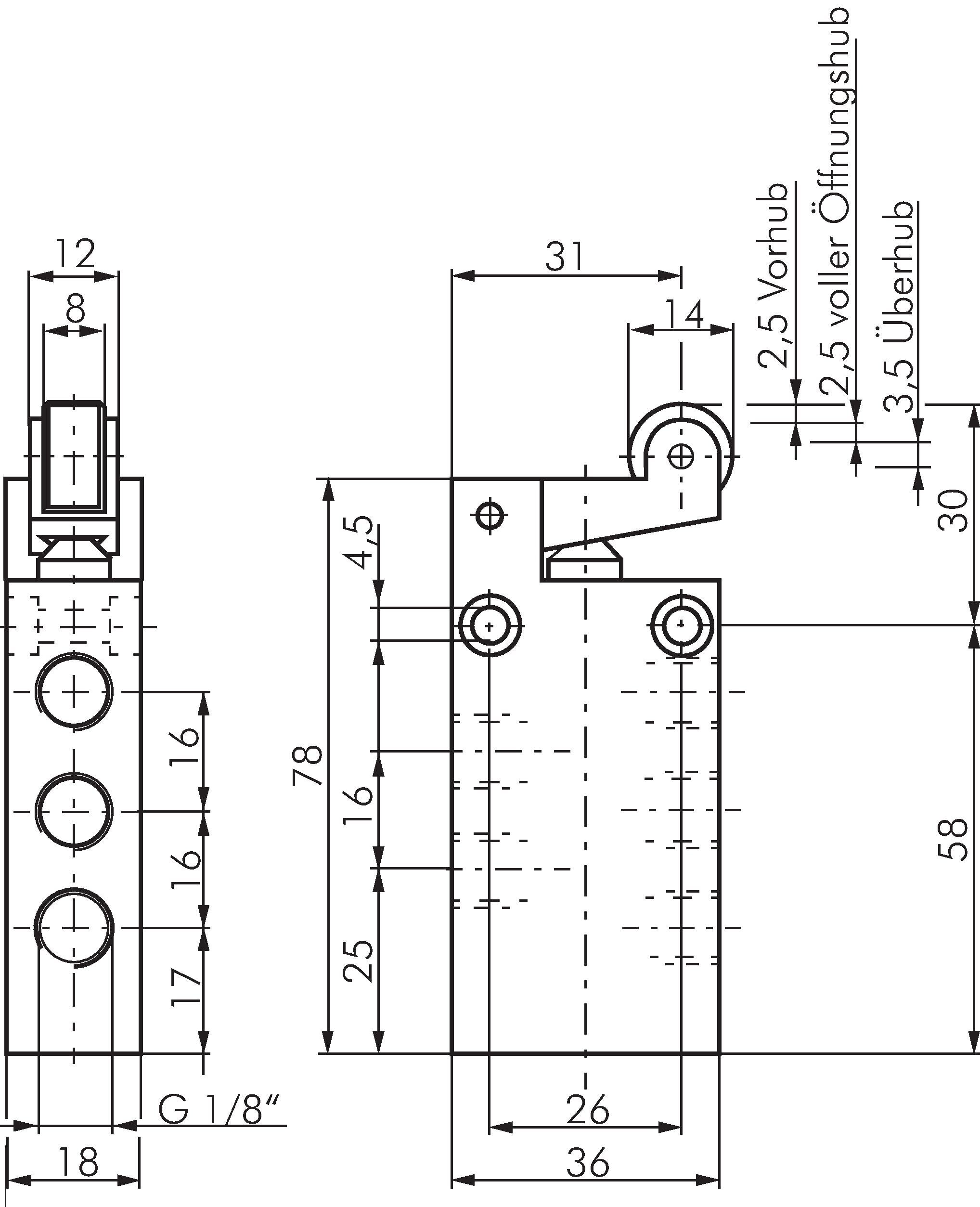
5/2-way limit valve with Roller lever, G 1/8"

{{ $t('shop.all.artikelnummer') }}:

ER 18 510 *

Accessories

Payment options:

Cash on delivery

Invoice