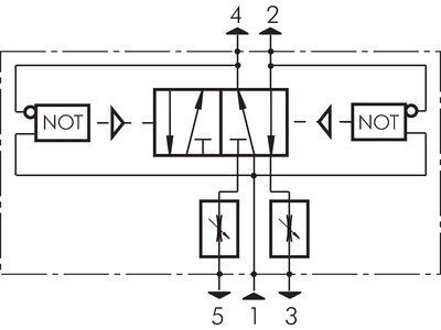
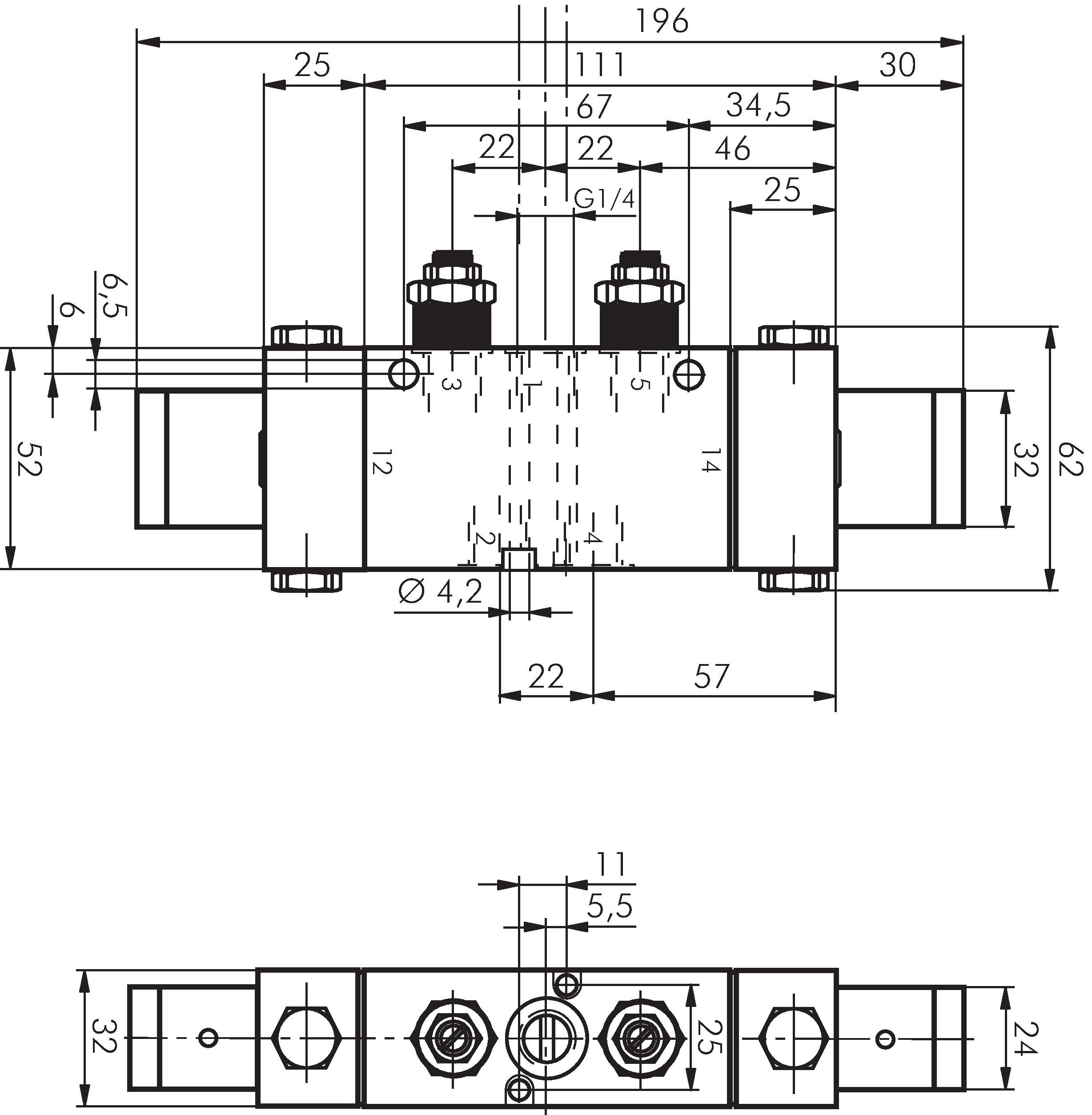
5/2-way oscillating valve, stroke-controlled, G 1/4"

{{ $t('shop.all.artikelnummer') }}:

OS 514

Accessories

Payment options:

Cash on delivery

Invoice