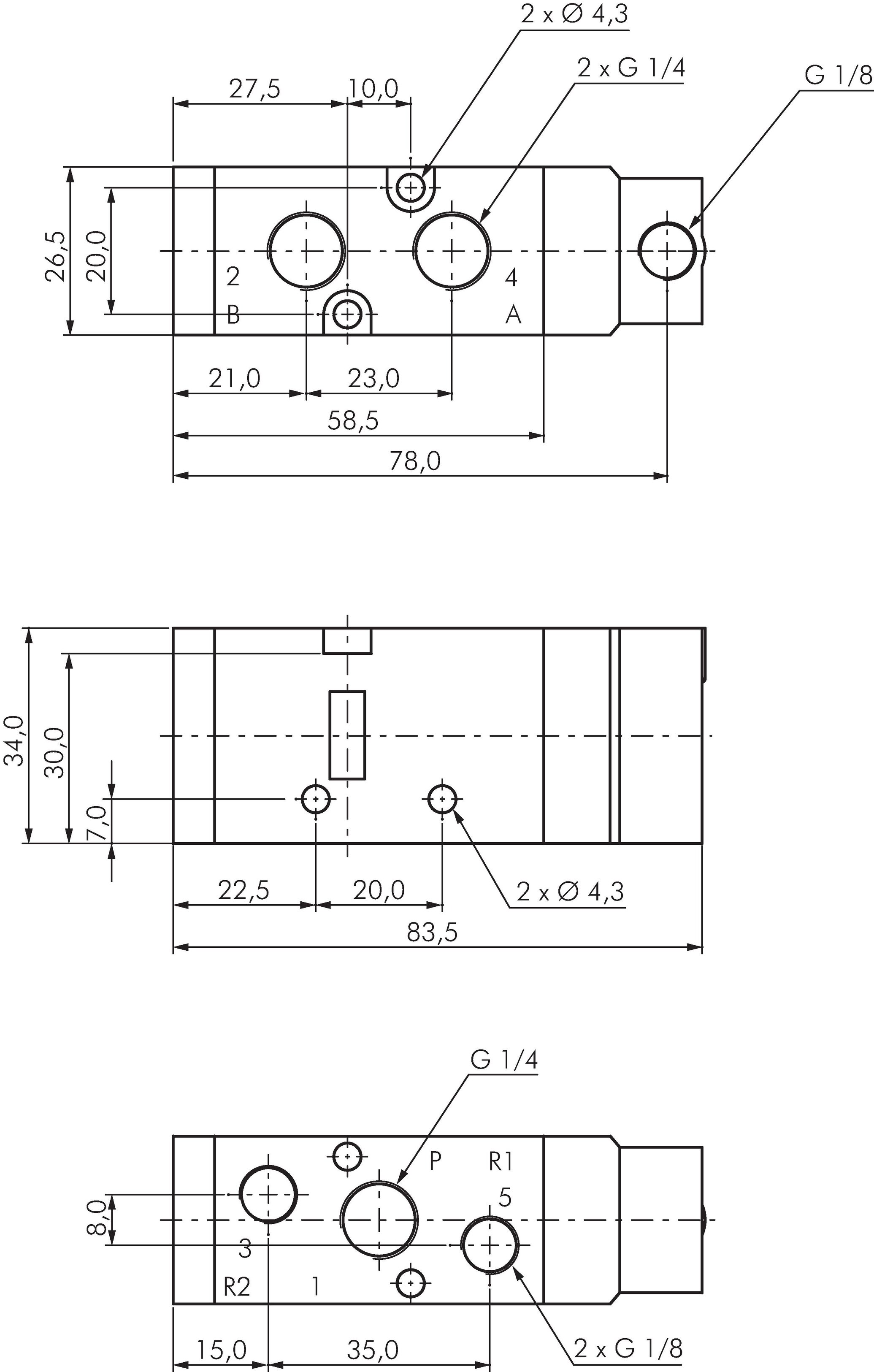
5/2-way pneumatic valve, G 1/4", spring return

{{ $t('shop.all.artikelnummer') }}:

SFP4101

Accessories

Payment options:

Cash on delivery

Invoice