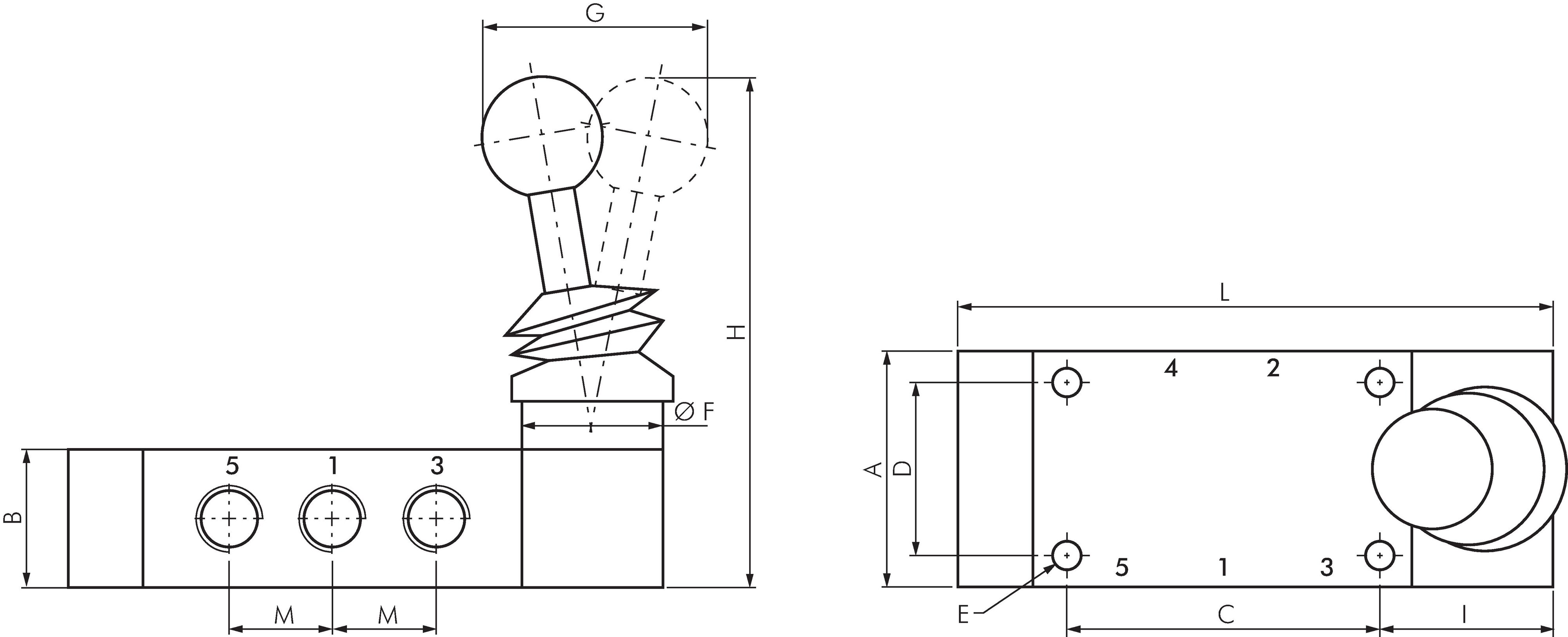
5/3-way hand lever valve, Centre position closed, spring return, G 1/2"

{{ $t('shop.all.artikelnummer') }}:

HF 12 530

Accessories

Payment options:

Cash on delivery

Invoice