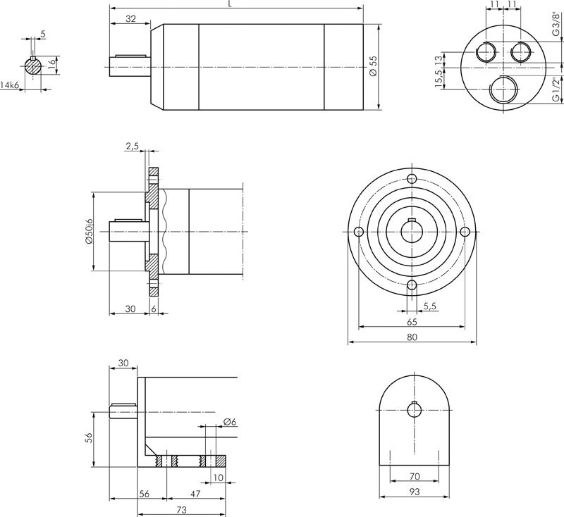
Compressed air van air motors non-reversible, clockwise rotation, non stalling, nominal performance:

{{ $t('shop.all.artikelnummer') }}:

RDR 550/1500

Accessories

Payment options:

Cash on delivery

Invoice