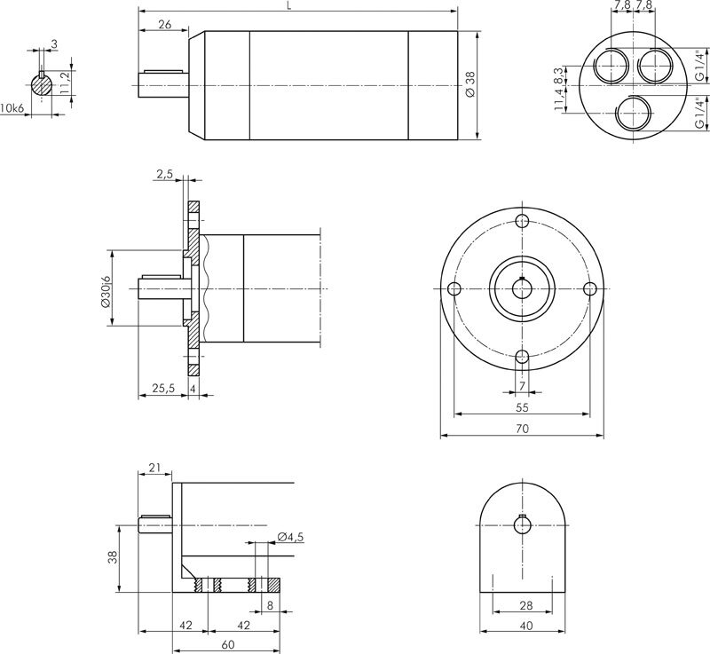
Compressed air van air motors reversible, not stall-resistant, nominal performance: 180 Watt

{{ $t('shop.all.artikelnummer') }}:

LRDU 180/7

Accessories

Payment options:

Cash on delivery

Invoice