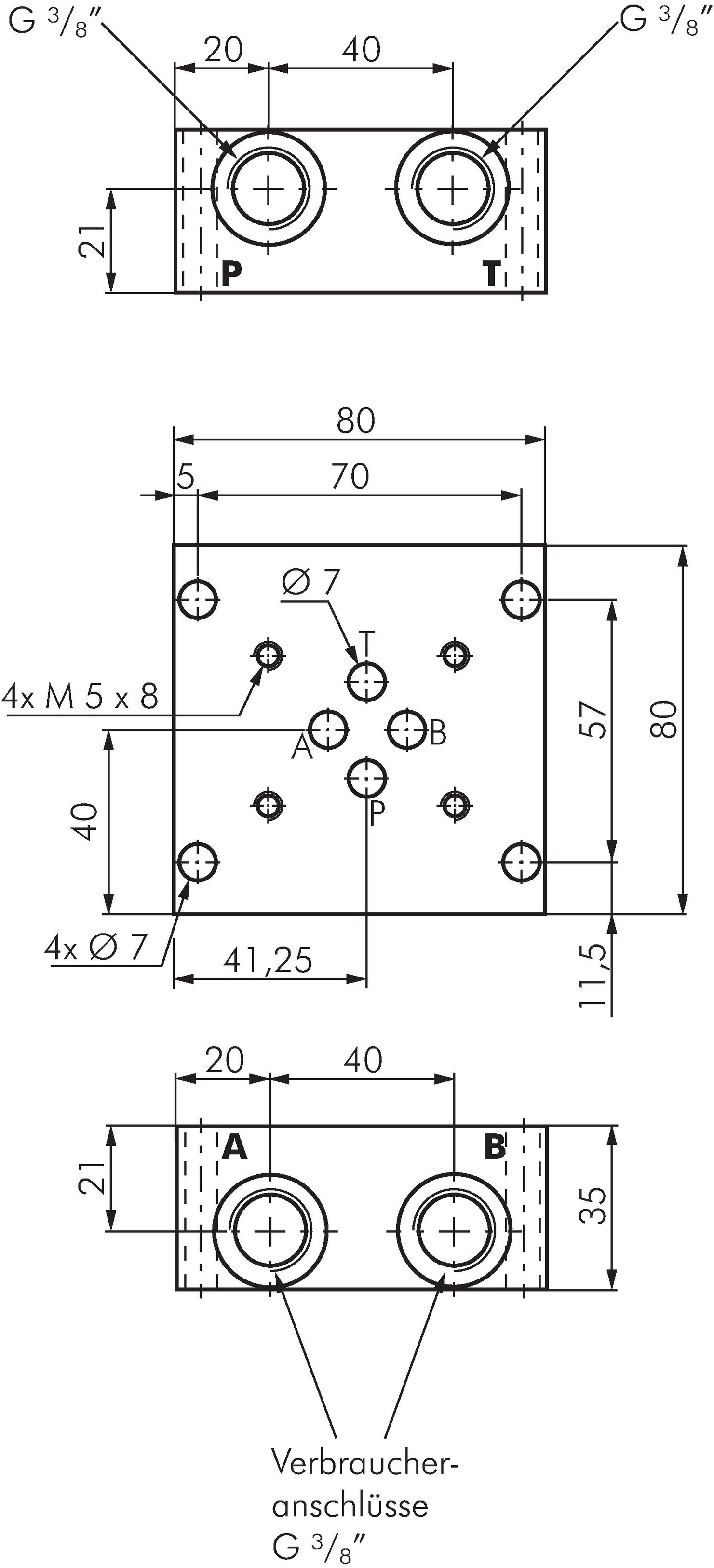
Connection plate NG 6, 1-way

{{ $t('shop.all.artikelnummer') }}:

GRPS 61

Accessories

Payment options:

Cash on delivery

Invoice