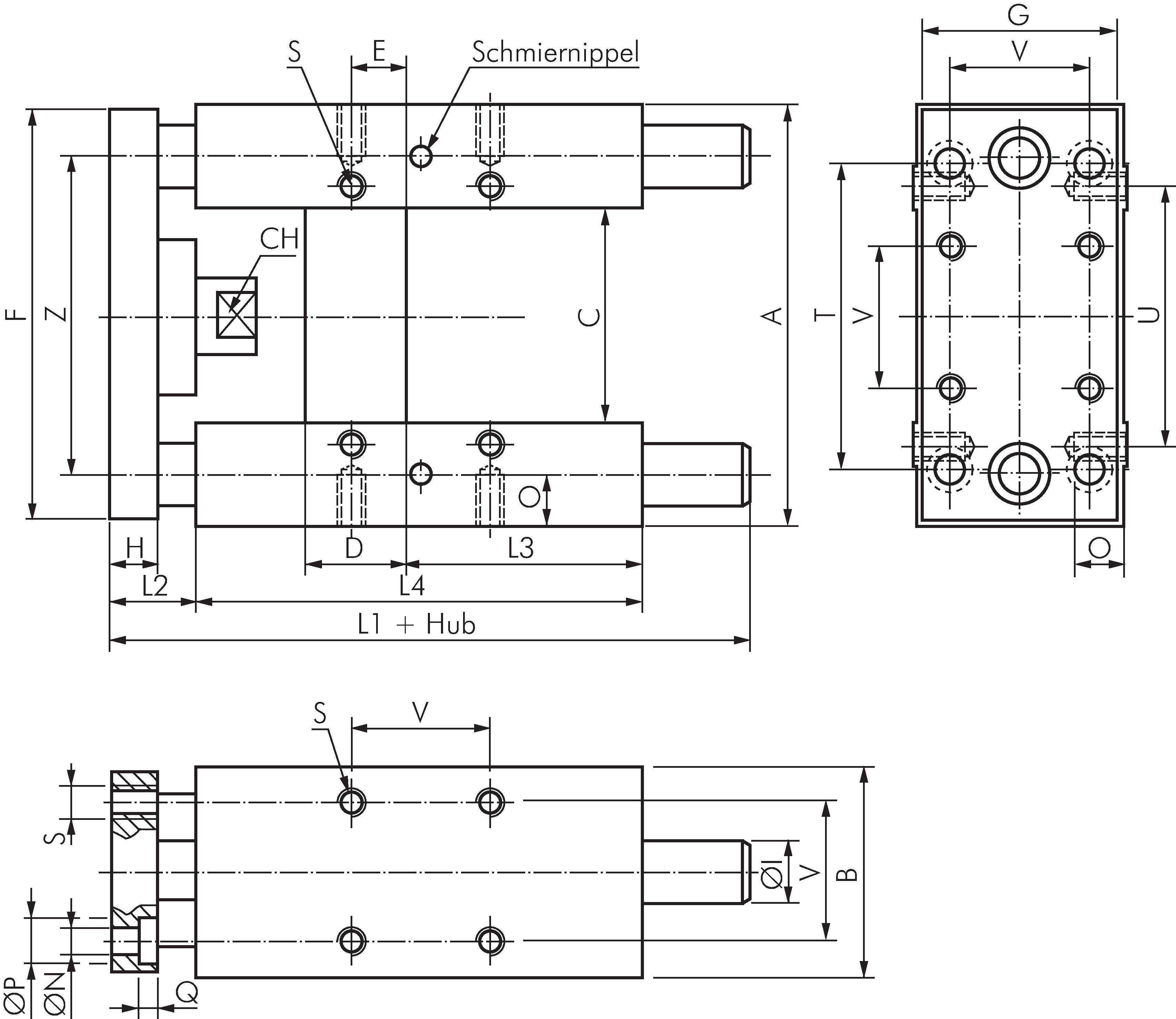
Guide unit for ISO15552-Ø 32mm, stroke 200mm

{{ $t('shop.all.artikelnummer') }}:

LE 32/200 HG

Payment options:

Cash on delivery

Invoice