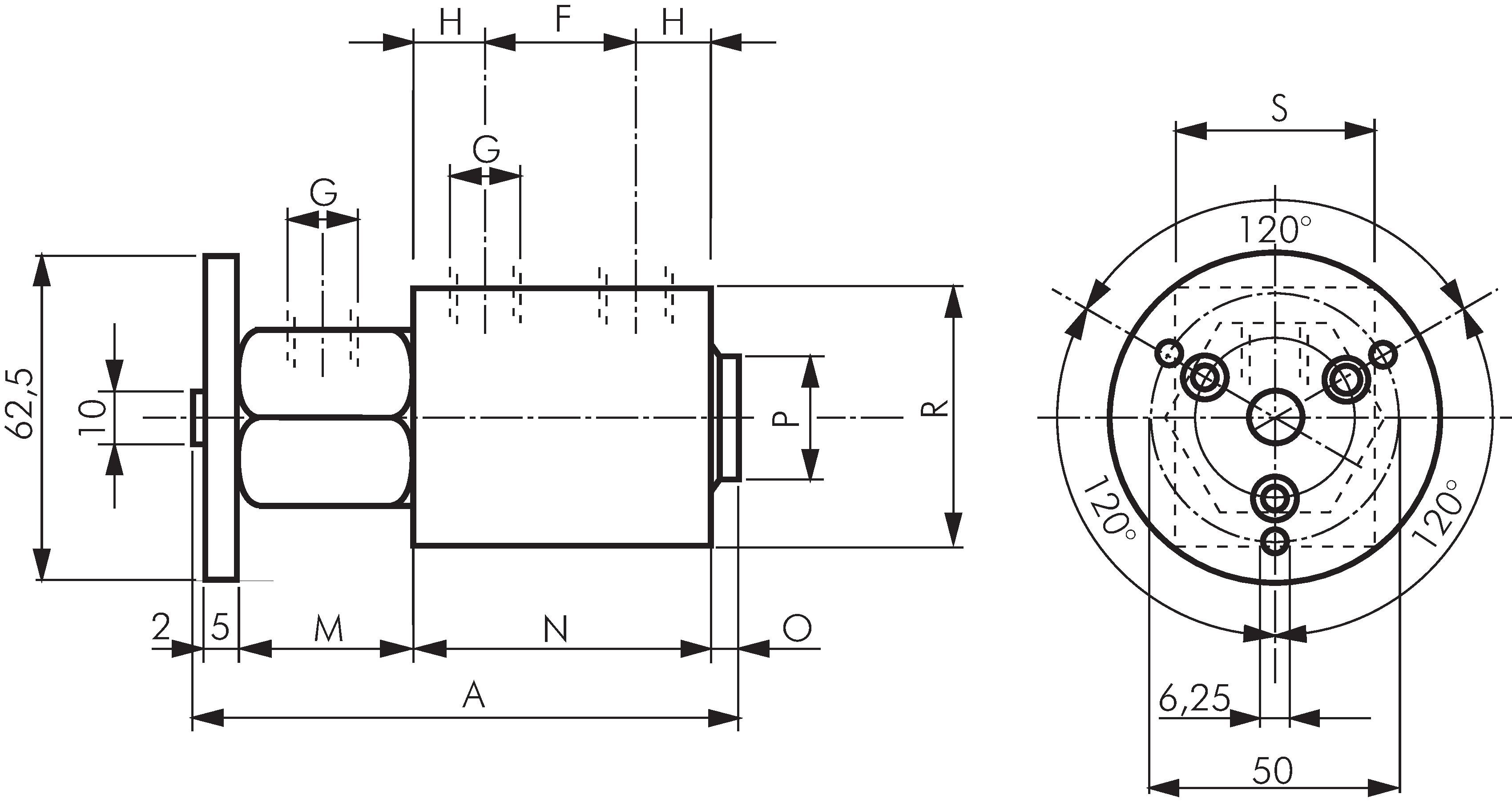
Rotary joint 2-way, G 1/8", Compact

{{ $t('shop.all.artikelnummer') }}:

DDFC 18-2

Accessories

Payment options:

Cash on delivery

Invoice