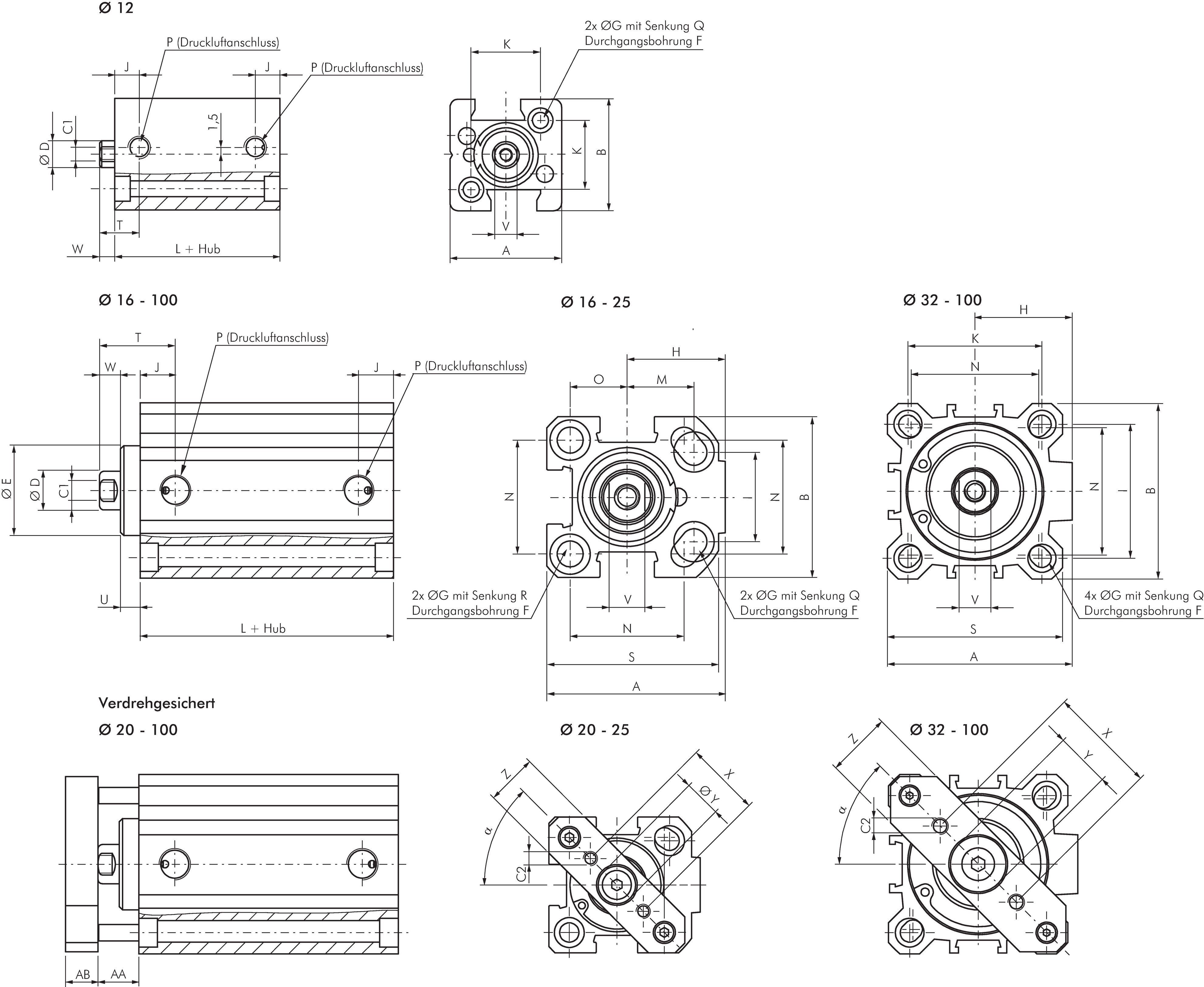
Short stroke cylinder, non-rotating, 20, stroke 20mm

{{ $t('shop.all.artikelnummer') }}:

NDM 20/20 A

Accessories

Payment options:

Cash on delivery

Invoice