3/2-Wege Handhebelventil, Federrückstellung, G 1/8"
{{ $t('shop.all.artikelnummer') }}:
H 321-06 S
Exemplarische Darstellung
{{ $t('shop.display.artikel.beschreibung_headline') }}
Werkstoffe:
Körper und Schieber: Aluminium, Dichtungen: NBR
Temperaturbereich:
-5 bis +60 °C
Betriebsdruck:
0 - 8 bar
Medien:
geölte und ungeölte, gefilterte Druckluft
Druckeingang:
an jedem Anschluss möglich
{{ $t('shop.display.artikel.eigenschaften_headline') }}
| Funktion |
Federrückstellung
|
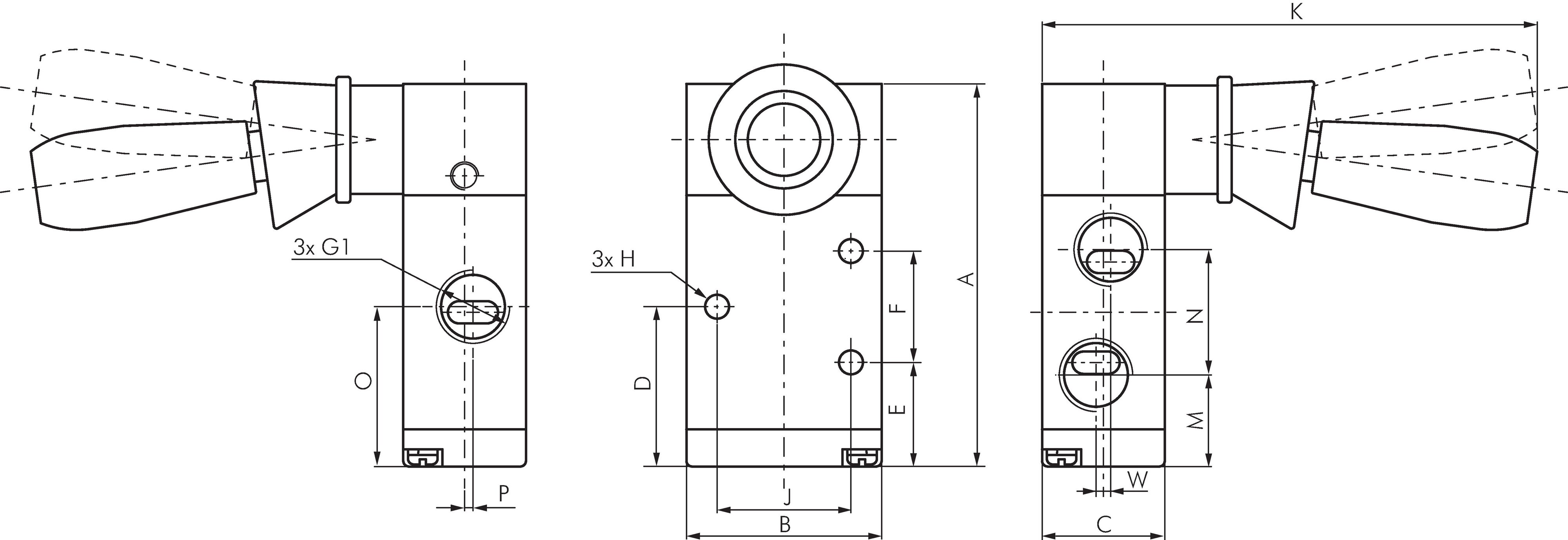
| Gewinde G1 (2x) |
G 1/8"
|
| Gewinde Abluft G1 (1x) |
G 1/8"
|
| Nennweite [mm] |
3,9
|
| Durchfluss [l/min] |
500
|
| A [mm] |
58,7
|
| B [mm] |
27
|
| C [mm] |
18
|
| D [mm] |
23,7
|
| E [mm] |
16,7
|
| F [mm] |
14
|
| H [mm] |
3,1
|
| J [mm] |
19
|
| K [mm] |
84
|
| M [mm] |
14,7
|
| N [mm] |
16,0
|
| O [mm] |
23,7
|
| P [mm] |
1,0
|
| W [mm] |
2
|
Weitere Informationen:
| {{ $t('shop.all.gewicht') }} |
115 g / Stk. |
| {{ $t('shop.all.gtin') }} |
4050571349844 |
| {{ $t('shop.display.artikel.zollwarennummer') }} |
84812090 |
| {{ $t('shop.display.artikel.rohskonform') }} |
{{ $t('shop.all.ja') }} |
| {{ $t('shop.all.hersteller') }} |
EMC |
Zeichnung:
Zeichnung: 3/2-Wege Handhebelventil
Weitere Informationen zu diesem Artikel sowie die Möglichkeit, ihn zu bestellen, finden Sie in unserem Online-Shop https://www.landefeld.com unter der Artikelnummer H 321-06 S .
Landefeld Druckluft und Hydraulik GmbH · Konrad-Zuse-Straße 1 · 34123 Kassel · Deutschland
Alle Angaben verstehen sich als unverbindliche Richtwerte! Für nicht schriftlich bestätigte Datenauswahl übernehmen wir keine Haftung. Druckangaben beziehen sich, soweit nicht anders angegeben, auf Flüssigkeiten der Gruppe II bei +20°C.
Unsere Produkte und Waren sind grundsätzlich nur für die industrielle und gewerbliche Verwendung bestimmt.
Stand: 24.02.2026