Mehrfachanschlussplatte (4-fach) für 3/2-Wege Ventile
{{ $t('shop.all.artikelnummer') }}:
V 32-4
Exemplarische Darstellung
{{ $t('shop.display.artikel.beschreibung_headline') }}
Werkstoffe:
Körper: Aluminium, Dichtungen: NBR
Lieferumfang:
Grundkörper mit Schrauben und Dichtungen (Ventile bitte separat bestellen)
{{ $t('shop.display.artikel.eigenschaften_headline') }}
| Bauform |
für 3/2-Wege Ventile
|
| Ausführung |
für Baureihe RV20
|
| Anzahl Stationen [Stk] |
4
|
| Beschreibung |
Mehrfachanschlussplatte
|
| passende Blindplatte* |
V 32-BP
|
| Ersatzdichtung inkl. Schrauben |
V 32-REP
|
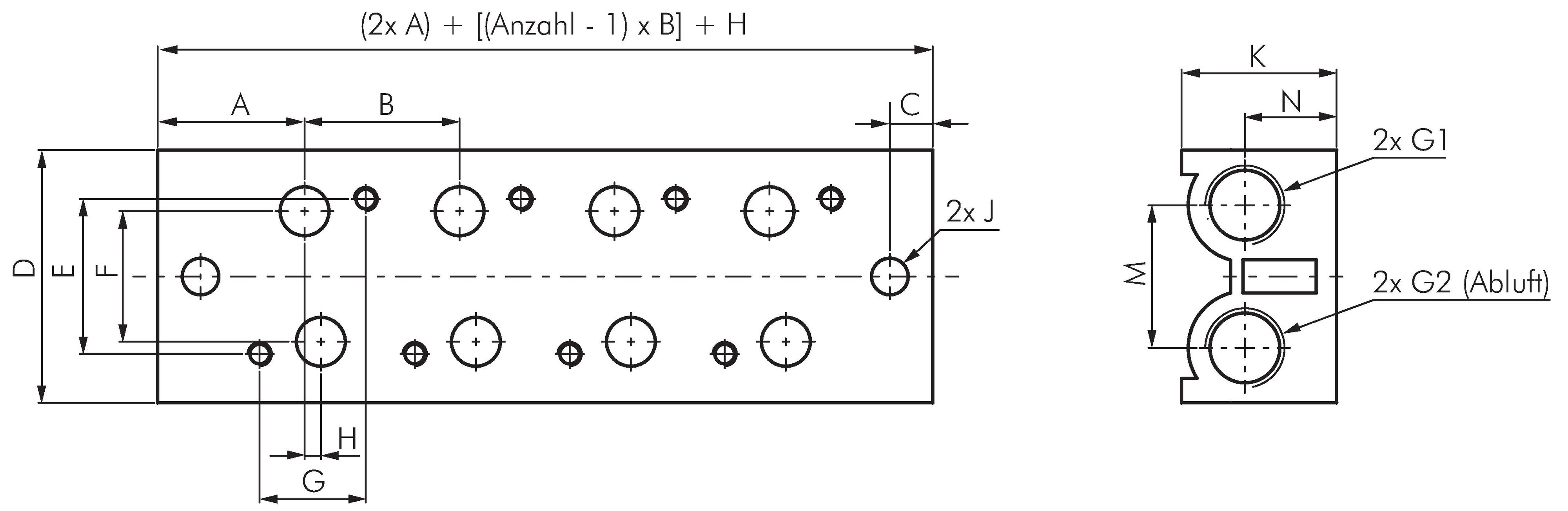
| A [mm] |
23,0
|
| B [mm] |
23
|
| C [mm] |
6
|
| D [mm] |
45,0
|
| E [mm] |
30,0
|
| F [mm] |
22,5
|
| G1 (2x) |
G 1/4"
|
| G2 (Abluft) |
2x G 1/4"
|
| H [mm] |
0
|
| J [mm] |
4,5
|
| K [mm] |
23,5
|
| L [mm] |
17
|
| M [mm] |
24,0
|
| N [mm] |
13,50
|
Weitere Informationen:
| {{ $t('shop.all.gewicht') }} |
195 g / Stk. |
| {{ $t('shop.all.gtin') }} |
4050571715090 |
| {{ $t('shop.display.artikel.zollwarennummer') }} |
84819000 |
| {{ $t('shop.display.artikel.rohskonform') }} |
{{ $t('shop.all.ja') }} |
| {{ $t('shop.all.hersteller') }} |
EMC |
Zeichnung:
Zeichnung: Mehrfachanschlussplatte für 3/2-Wege Ventile
Weitere Informationen zu diesem Artikel sowie die Möglichkeit, ihn zu bestellen, finden Sie in unserem Online-Shop https://www.landefeld.com unter der Artikelnummer V 32-4 .
Landefeld Druckluft und Hydraulik GmbH · Konrad-Zuse-Straße 1 · 34123 Kassel · Deutschland
Alle Angaben verstehen sich als unverbindliche Richtwerte! Für nicht schriftlich bestätigte Datenauswahl übernehmen wir keine Haftung. Druckangaben beziehen sich, soweit nicht anders angegeben, auf Flüssigkeiten der Gruppe II bei +20°C.
Unsere Produkte und Waren sind grundsätzlich nur für die industrielle und gewerbliche Verwendung bestimmt.
Stand: 24.02.2026