Datenblatt

Bimetallthermometer, waagerecht D80/0 bis +60°C/40mm
{{ $t('shop.all.artikelnummer') }}:
TW 608040 KU
Exemplarische Darstellung
{{ $t('shop.display.artikel.beschreibung_headline') }}
Anwendung:
Wirtschaftliches Thermometer für die einfache Temperaturanzeige in der Heizungstechnik.
Werkstoffe:
Gehäuse: Kunststoff, Schutzrohr: Kupfer, Sichtscheibe: SAN (Kunststoff glasklar)
Anzeigenkorrektur:
am Tauchschaftende
Anschluss:
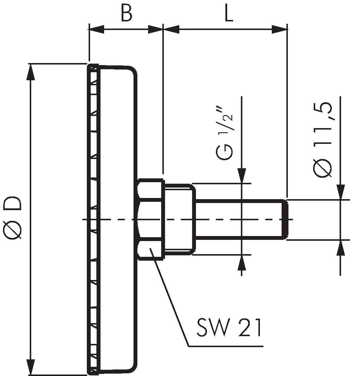
G 1/2"
Tauchschaft Ø (mit Schutzrohr):
11,5 mm
Klasse:
2
Temperaturbereich:
Umgebung: -20 bis +60 °C
Betriebsdruck am Schutzrohr:
max. 6 bar
Hinweis:
WIKA Typ A46
{{ $t('shop.display.artikel.eigenschaften_headline') }}
Durchmesser [mm] 80
Anzeigebereich [°C] 0 bis +60
Tauchschaftlänge L [mm] 40
Skalenteilung [K] 1
B [mm] 24,5
Weitere Informationen:
{{ $t('shop.all.gewicht') }} 65 g / Stk.
{{ $t('shop.all.gtin') }} 4050571822903
{{ $t('shop.display.artikel.zollwarennummer') }} 90251900
{{ $t('shop.display.artikel.rohskonform') }} {{ $t('shop.all.ja') }}
{{ $t('shop.all.hersteller') }} WIKA (WEEE DE92770372)
Bild
Zeichnung:
Zeichnung: Bimetallthermometer waagerecht mit Kunststoffgehäuse und Cu-Schutzrohr
Landefeld Druckluft und Hydraulik GmbH · Konrad-Zuse-Straße 1 · 34123 Kassel · Deutschland
Alle Angaben verstehen sich als unverbindliche Richtwerte! Für nicht schriftlich bestätigte Datenauswahl übernehmen wir keine Haftung. Druckangaben beziehen sich, soweit nicht anders angegeben, auf Flüssigkeiten der Gruppe II bei +20°C.
Unsere Produkte und Waren sind grundsätzlich nur für die industrielle und gewerbliche Verwendung bestimmt.
Stand: 24.02.2026