Datenblatt

Schwenkspanner / Klemmzylinder Ø 32 mm, Klemmhub 10mm rechtsschwenkend (schwenkt beim Klemmen im Uhr
{{ $t('shop.all.artikelnummer') }}:
SQKR 32/10
Exemplarische Darstellung
{{ $t('shop.display.artikel.beschreibung_headline') }}
Werkstoffe:
Körper: Aluminium eloxiert, Kolbenstange: Stahl hartverchromt, Dichtungen: NBR / PUR
Temperaturbereich:
-10 bis +70 °C
Betriebsdruck:
max. 10 bar
Schwenkwinkel:
90° (± 10°)
Ausführung:
mit Magnetkolben
Hinweis:
•Zylinder nur senkrecht stehend oder hängend betreiben,
•Klemmen nur innerhalb des Klemmhubs und nur auf ebenen Flächen zulässig,
•Werkstück muss bei Klemmvorgang in Ruhe sein
Vorteile:
•einfache Mechanik, robuste Konstruktion,
•wird mit demontierbarem Hebelarm geliefert, der in 90°-Schritten verstellt werden kann,
•Hauptabmessungen identisch mit SMC Serie MKB
Zylinderschaltertyp:
D
{{ $t('shop.display.artikel.eigenschaften_headline') }}
Ausführung rechtsschwenkend* (schwenkt beim Klemmen im Uhrzeigersinn)
Kolbendurchmesser [mm] 32
Klemmhub [mm] 10
Schwenkhub [mm] 15,0
wirksamer Kolbendurchmesser beim Klemmen [mm] 27,7
G (Druckluftanschluss) G 1/8"
Reparatursätze SQK 32 REP
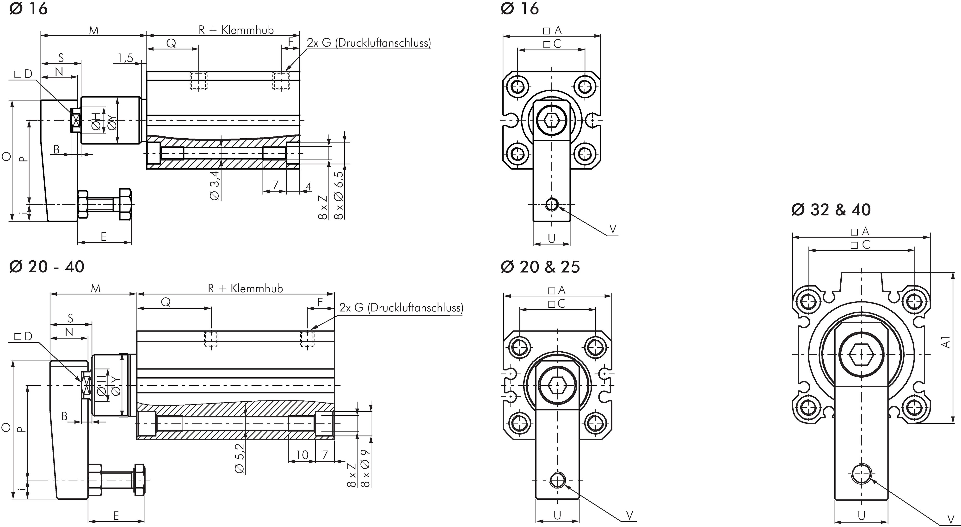
A [mm] 45
A1 [mm] 49,5
B [mm] 6,5
C [mm] 34,0
D [mm] 14
E [mm] 12 - 25
F [mm] 13,0
H [mm] 16
I [mm] 10
M (eingefahren) [mm] 45,5
M (ausgefahren) [mm] 70,5
N [mm] 18
O [mm] 67
P [mm] 45
Q [mm] 30,5
R [mm] 71,5
S [mm] 20,0
U 20
V M 8
Y (+0/-0,05) [mm] 30
Z M 6
Weitere Informationen:
{{ $t('shop.all.gewicht') }} 650 g / Stk.
{{ $t('shop.all.gtin') }} 4050571930271
{{ $t('shop.display.artikel.zollwarennummer') }} 84123100
{{ $t('shop.display.artikel.rohskonform') }} {{ $t('shop.all.ja') }}
{{ $t('shop.all.hersteller') }} EMC
Bild
Zeichnung:
Zeichnung: Schwenkrichtung
Zeichnung: Schwenk-Klemmzylinder
Landefeld Druckluft und Hydraulik GmbH · Konrad-Zuse-Straße 1 · 34123 Kassel · Deutschland
Alle Angaben verstehen sich als unverbindliche Richtwerte! Für nicht schriftlich bestätigte Datenauswahl übernehmen wir keine Haftung. Druckangaben beziehen sich, soweit nicht anders angegeben, auf Flüssigkeiten der Gruppe II bei +20°C.
Unsere Produkte und Waren sind grundsätzlich nur für die industrielle und gewerbliche Verwendung bestimmt.
Stand: 24.02.2026