Artikelgruppe

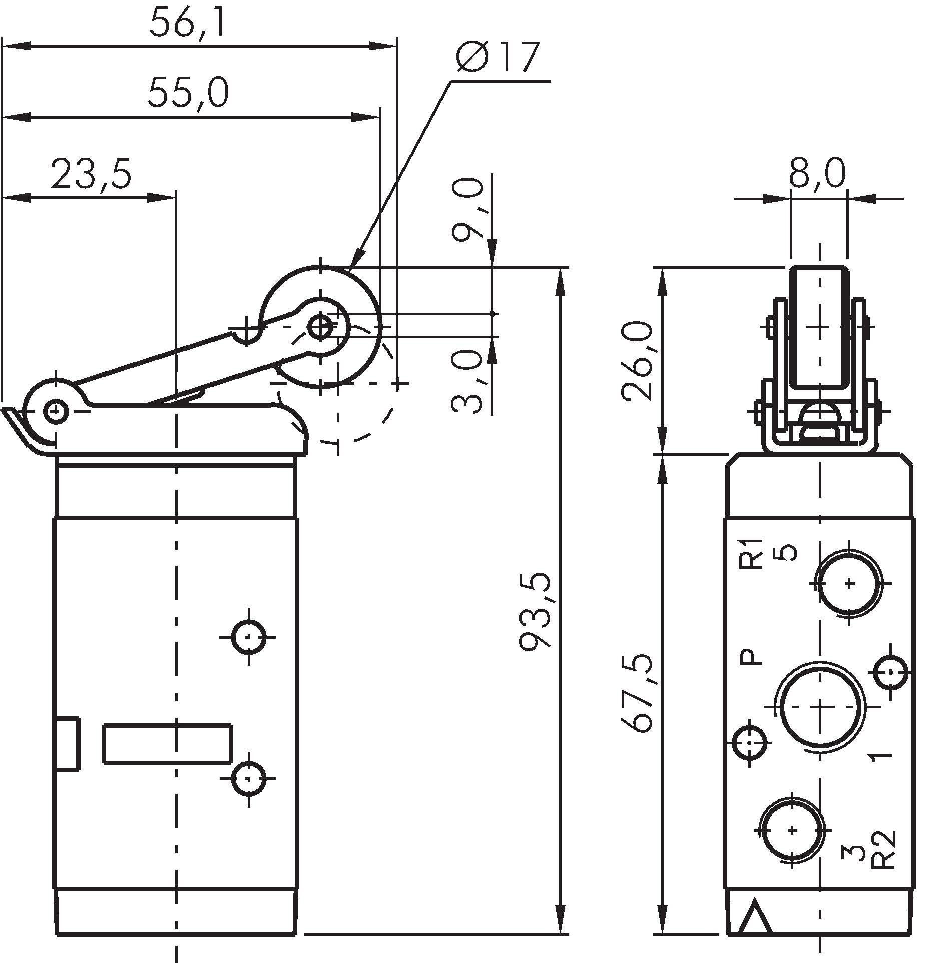
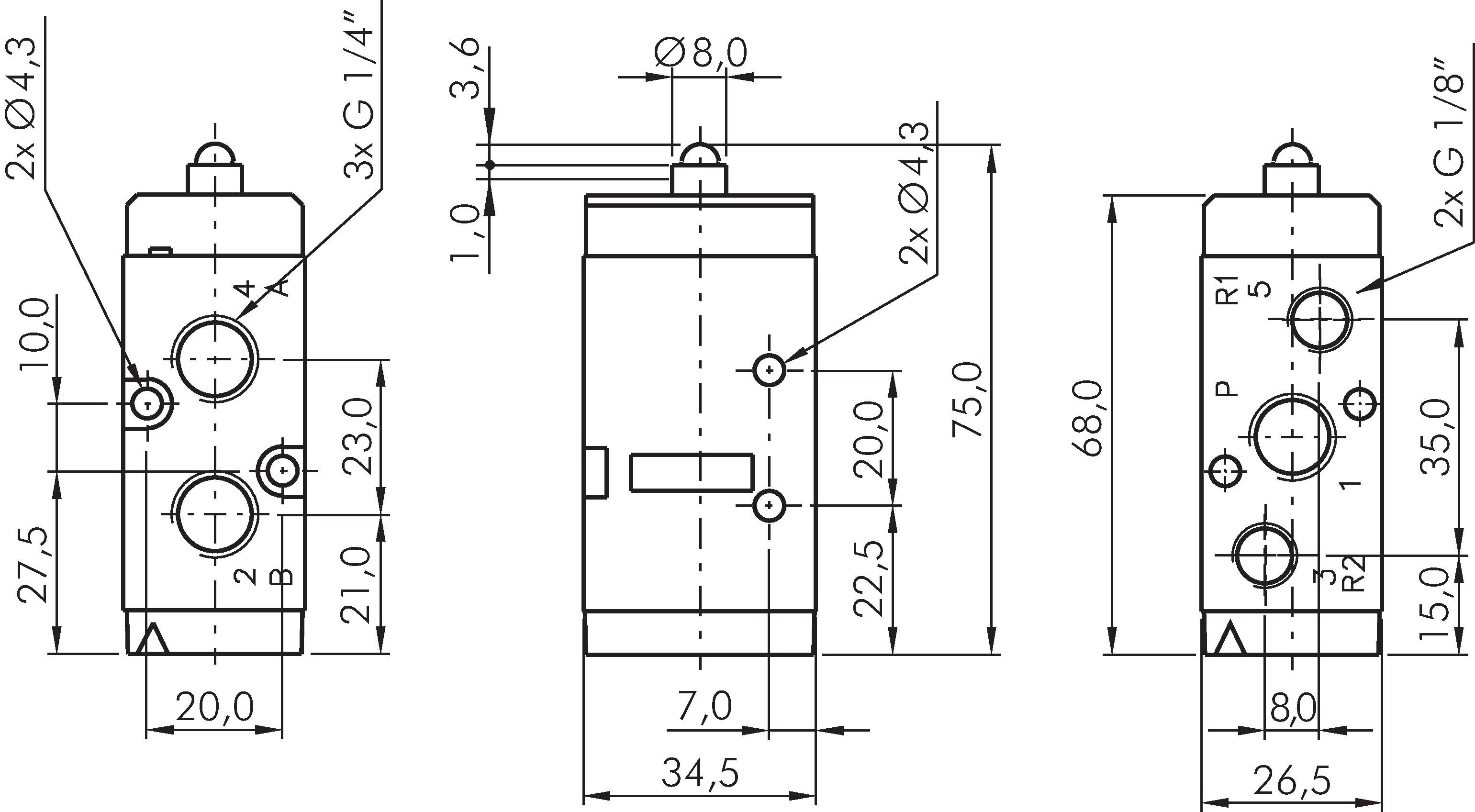
5/2-Wege Endschalter G 1/4", Baureihe RLV400

Exemplarische Darstellung: 5/2-Wege Rollenhebelventil (Stahlrolle) Exemplarische Darstellung: 5/2-Wege Nockenventil Exemplarische Darstellung: 5/2-Wege Rollenhebelventil (Kunststoffrolle) Schaltsymbol: 5/2-Wege Nockenventil Schaltsymbol: 5/2-Wege Rollenhebelventil
Zahlungsmöglichkeiten:

Nachnahme

Rechnung