Artikelgruppe

Drehverteiler, 3-fach / 6-fach, bis 300 min-1

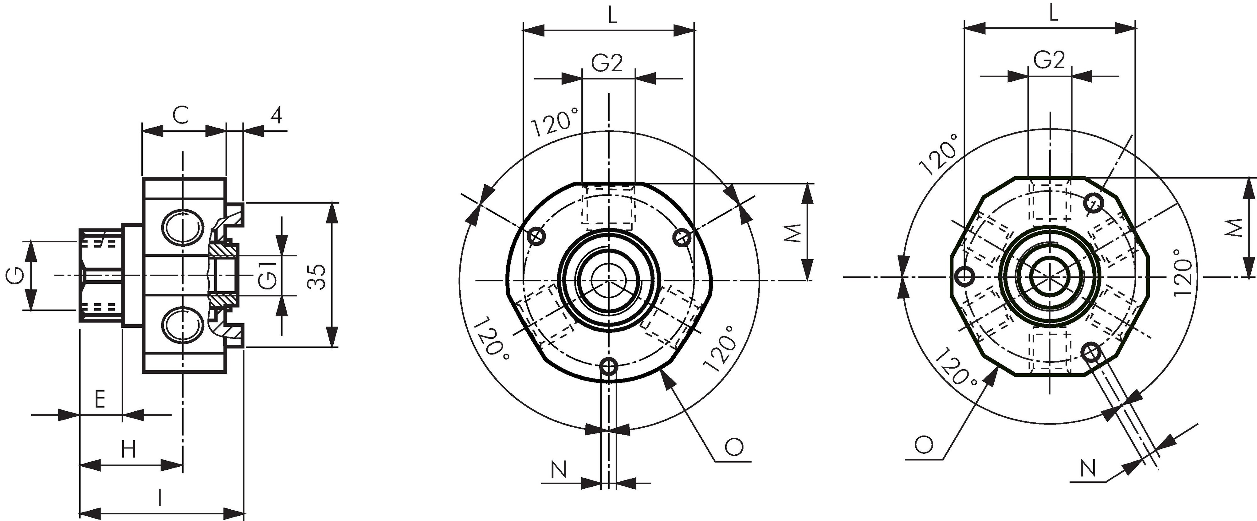
Exemplarische Darstellung: Drehverteiler, 3-fach, 6-fach Schaltsymbol: Drehverteiler, 3-fach Schaltsymbol: Drehverteiler, 6-fach
Zahlungsmöglichkeiten:

Nachnahme

Rechnung