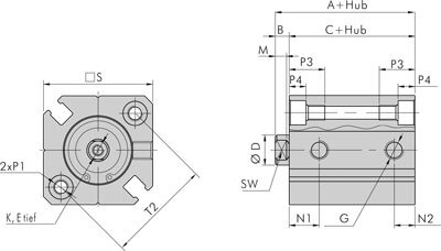
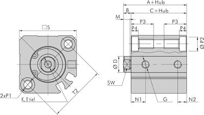
Artikelgruppe

Kompaktzylinder doppeltwirkend mit Magnetkolben, Eco-Line (Auslaufartikel)

Exemplarische Darstellung: Kompaktzylinder, doppeltwirkend Schaltsymbol: Standard
Zahlungsmöglichkeiten:

Nachnahme

Rechnung