Artikelgruppe

Schwenkbefestigungen Gabel, für Kompaktzylinder UNITOP

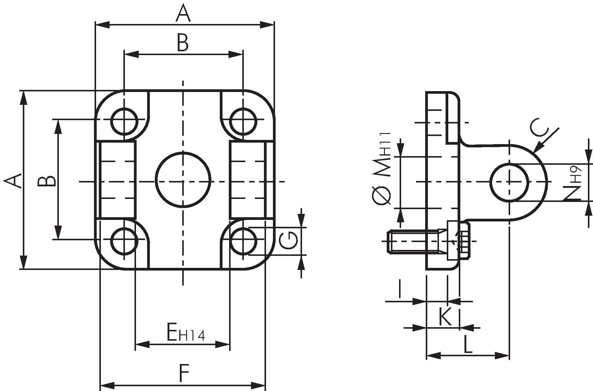
Exemplarische Darstellung: Schwenkbefestigung Gabel für Kompaktzylinder
Zahlungsmöglichkeiten:

Nachnahme

Rechnung