Artikelgruppe

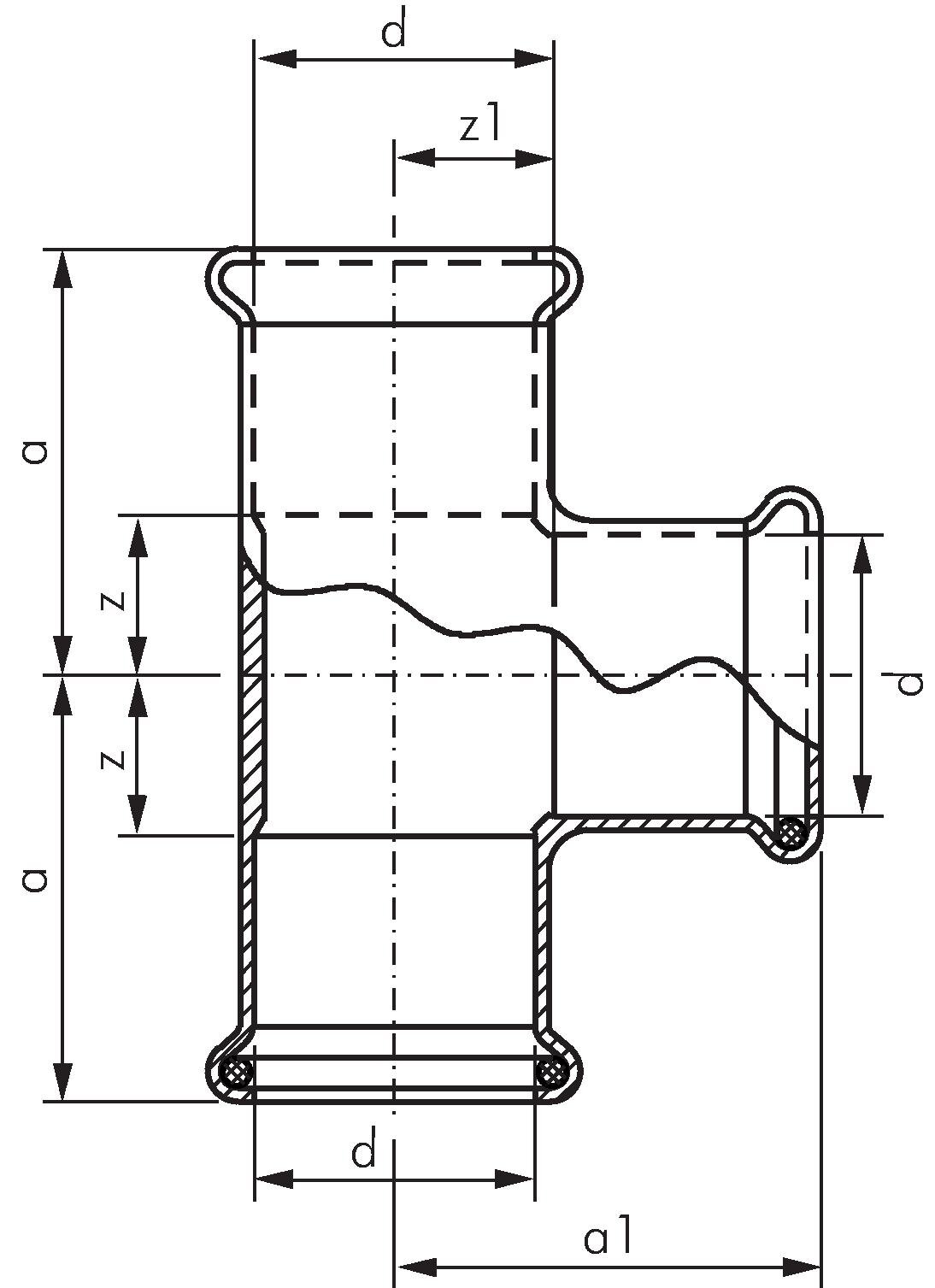
T-Stück mit Innenpressende

Exemplarische Darstellung: T-Stück mit Innenpressende Kupfer / Kupferlegierung Exemplarische Darstellung: T-Stück mit Innenpressende Edelstahl Exemplarische Darstellung: Zubehör Rohre
Zahlungsmöglichkeiten:

Nachnahme

Rechnung