Item group

3/2-way limit switch G 1/4", Series YMV400

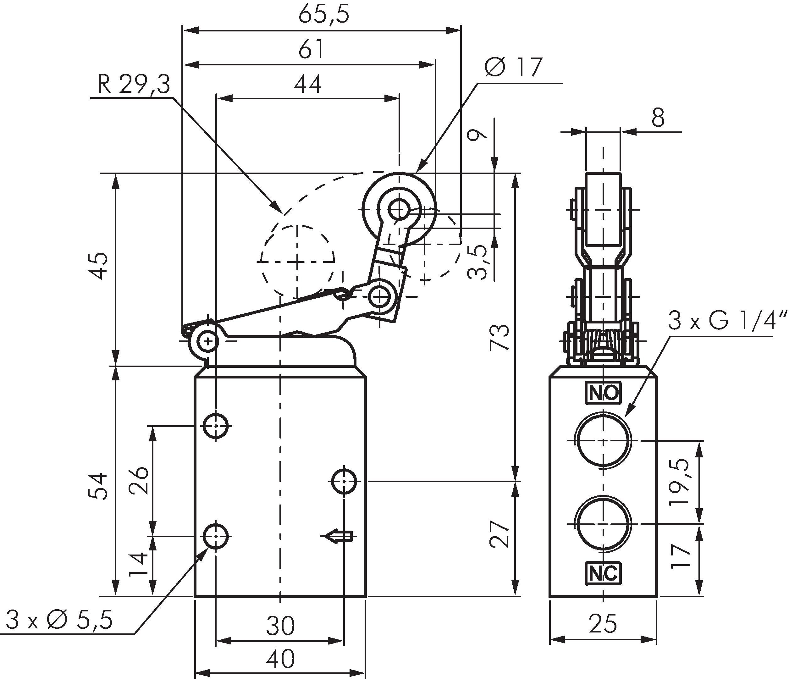
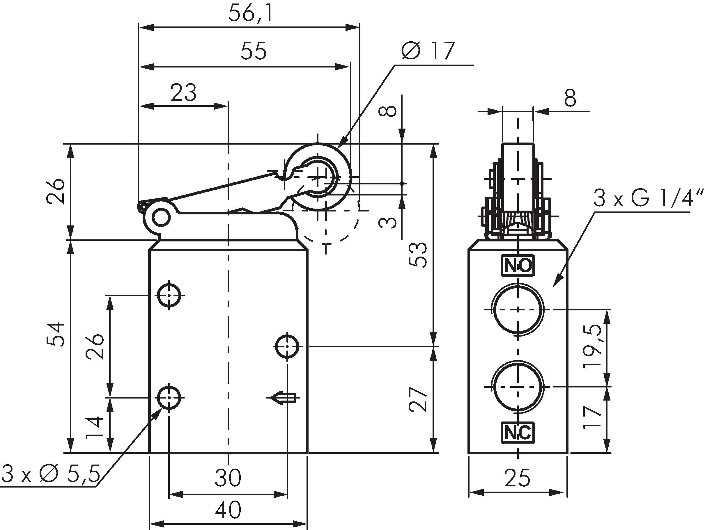
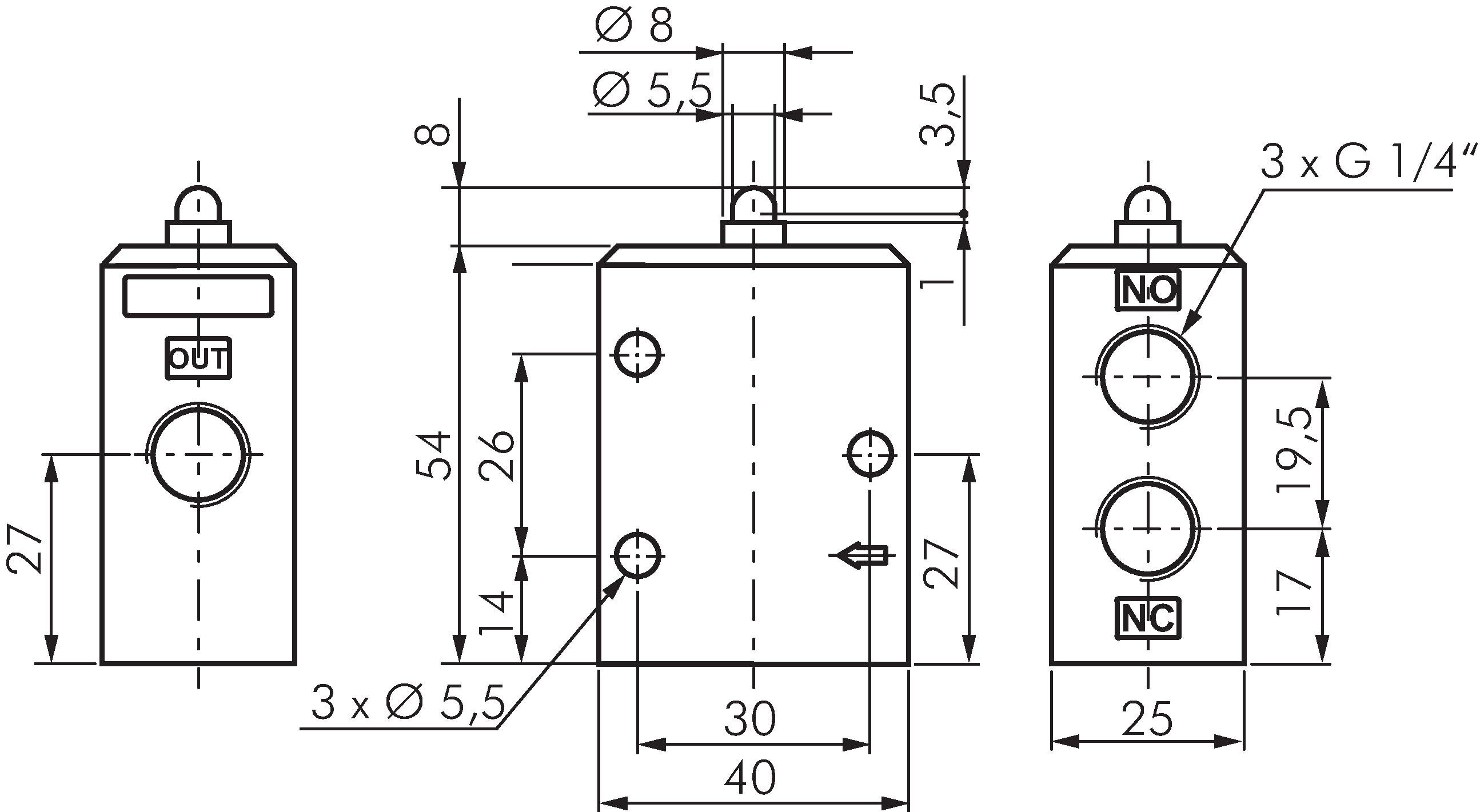
Exemplary representation: 3/2-way roller lever valve (steel roller) Exemplary representation: 3/2-way cam valve Exemplary representation: Plastic roller Exemplary representation: 3/2-way idle return roller valve (plastic roller) Exemplary representation: 3/2-way idle return roller valve (steel roller) Schematic symbol: 3/2-way cam valve (NC/NO) Schematic symbol: 3/2-way roller lever valve (NC/NO) Schematic symbol: 3/2-way idle return roller valve (NC/NO)
Payment options:

Cash on delivery

Invoice