Item group

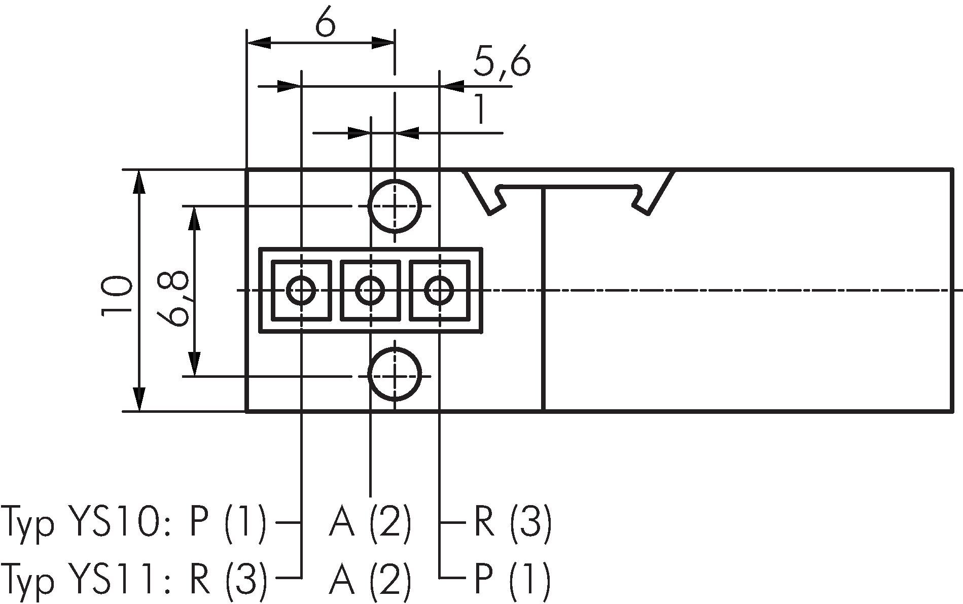
3/2-way solenoid valves with flange connection, Series YS10

Exemplary representation: 3/2-way solenoid valve with spring return (NC or NO) Schematic symbol: 3/2-way solenoid valve, closed when de-energised (NC) Schematic symbol: 3/2-way solenoid valve, open when de-energised (NO)
Payment options:

Cash on delivery

Invoice