Item group

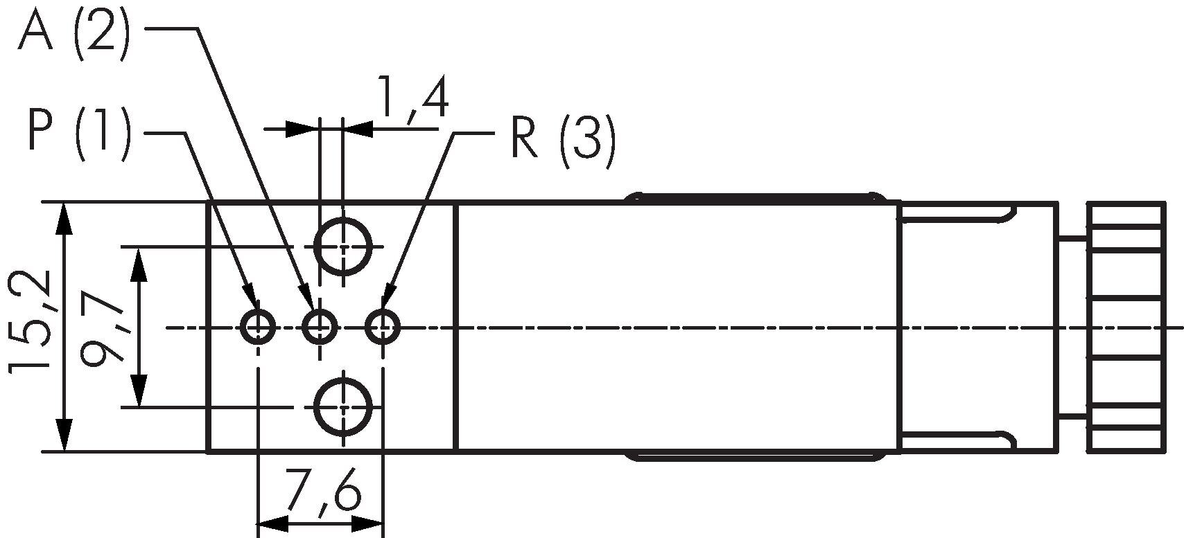
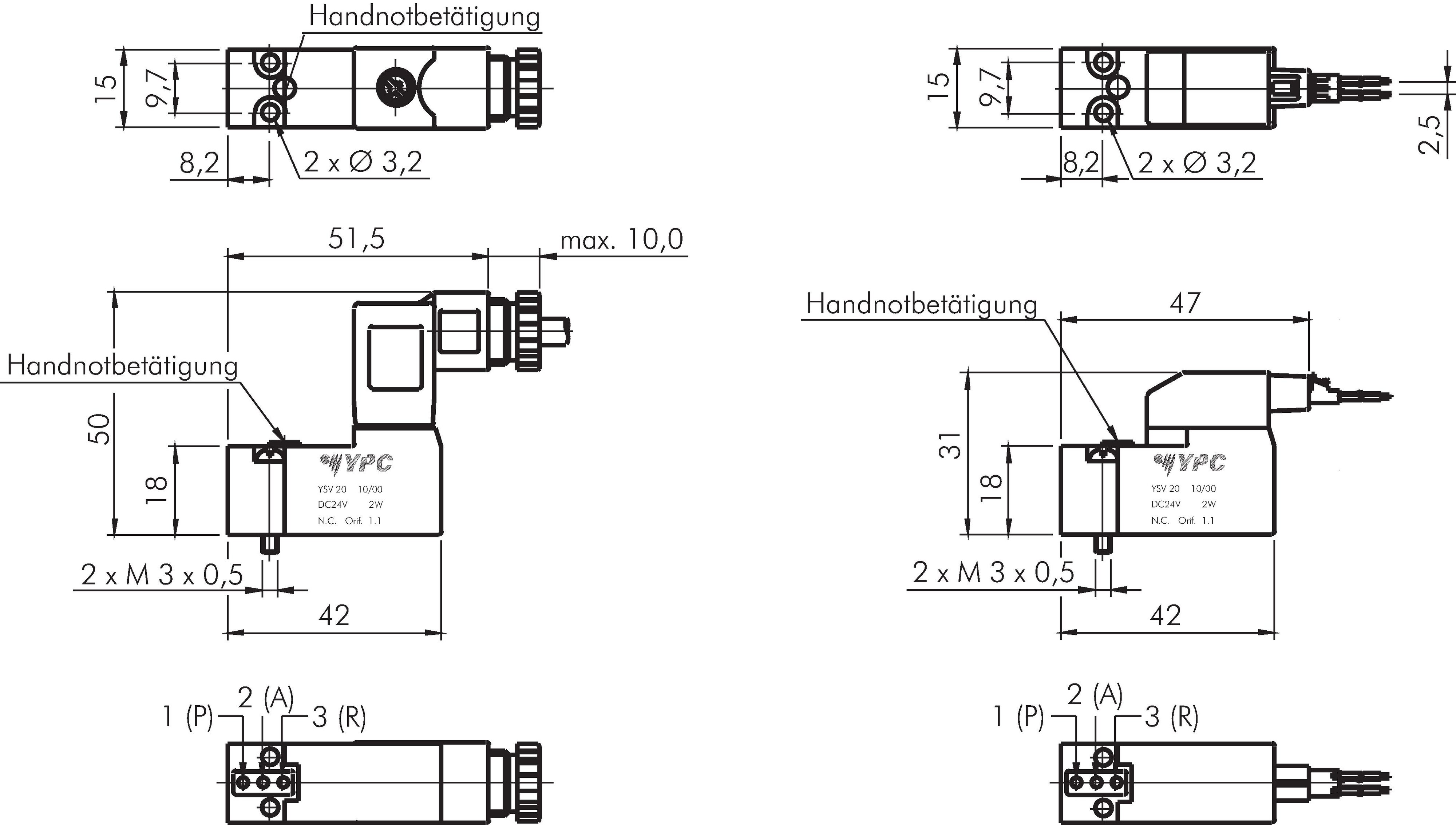
3/2-way solenoid valves with flange connection, Series YSV20

Exemplary representation: 3/2-way solenoid valve with spring return (NC) with standard plug Exemplary representation: 3/2-way solenoid valve with spring return (NC) with rectangular plug SY100 Schematic symbol: 3/2-way solenoid valve, closed when de-energised (NC)
Payment options:

Cash on delivery

Invoice