Item group

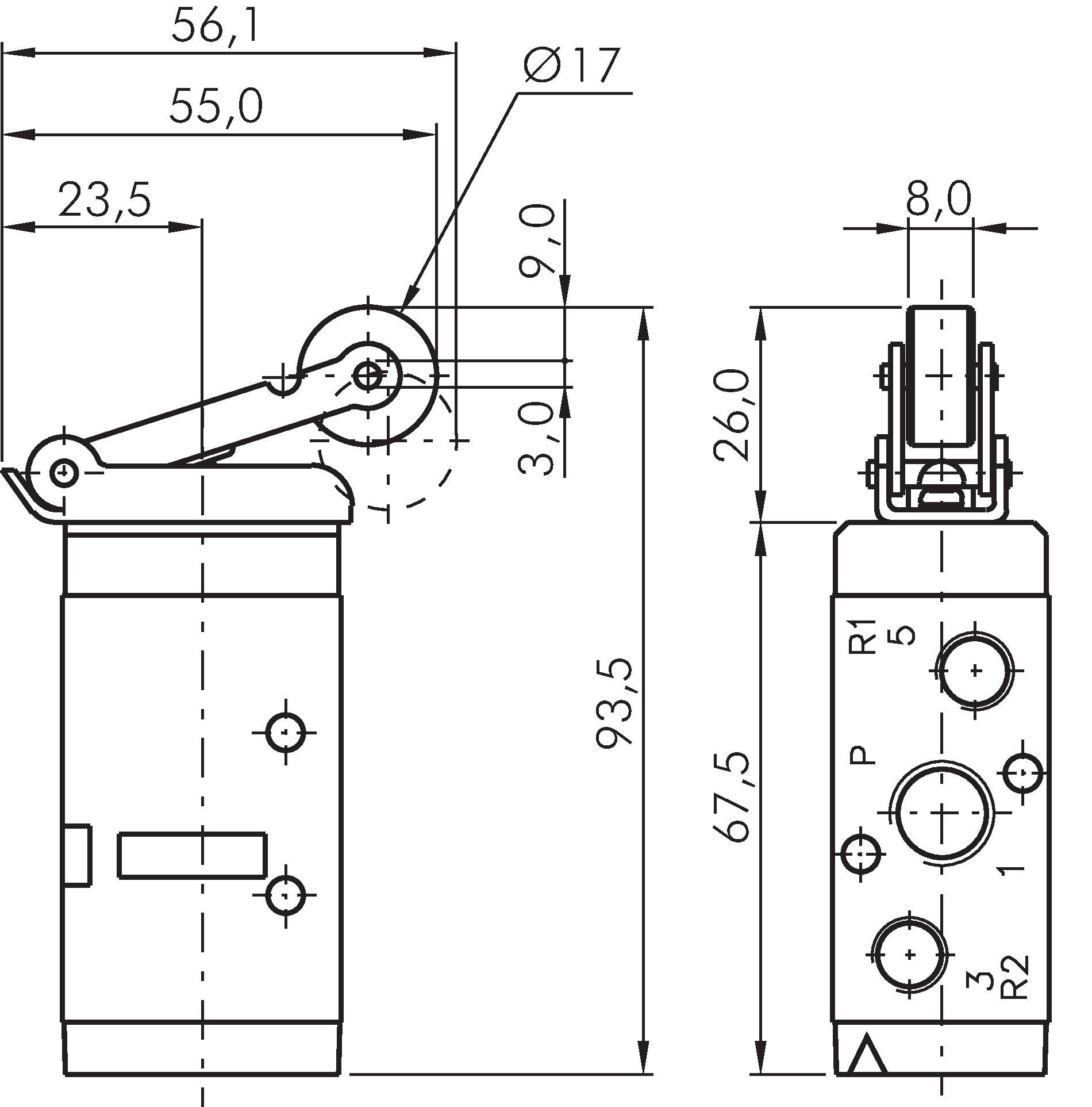
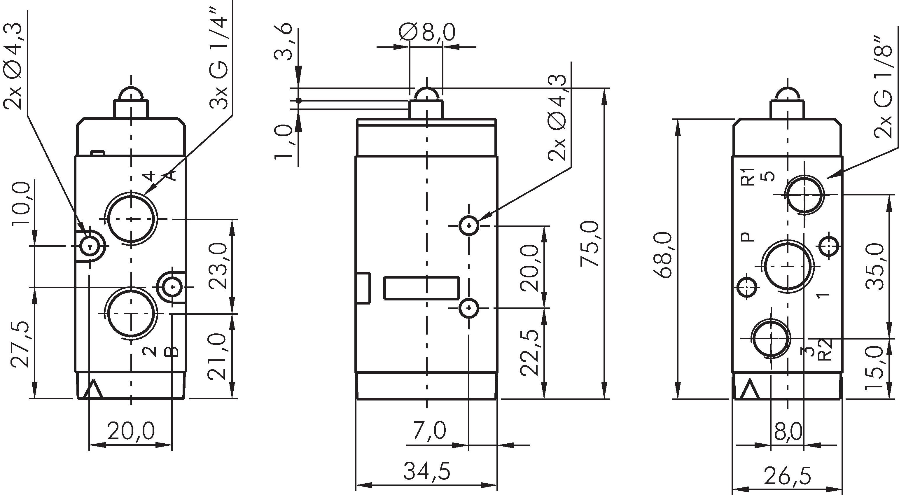
5/2-way limit switch G 1/4", Series RLV400

Exemplary representation: 5/2-way roller lever valve (steel roller) Exemplary representation: 5/2-way cam valve Exemplary representation: 5/2-way roller lever valve (plastic roller) Schematic symbol: 5/2-way cam valve Schematic symbol: 5/2-way roller lever valve
Payment options:

Cash on delivery

Invoice