Item group

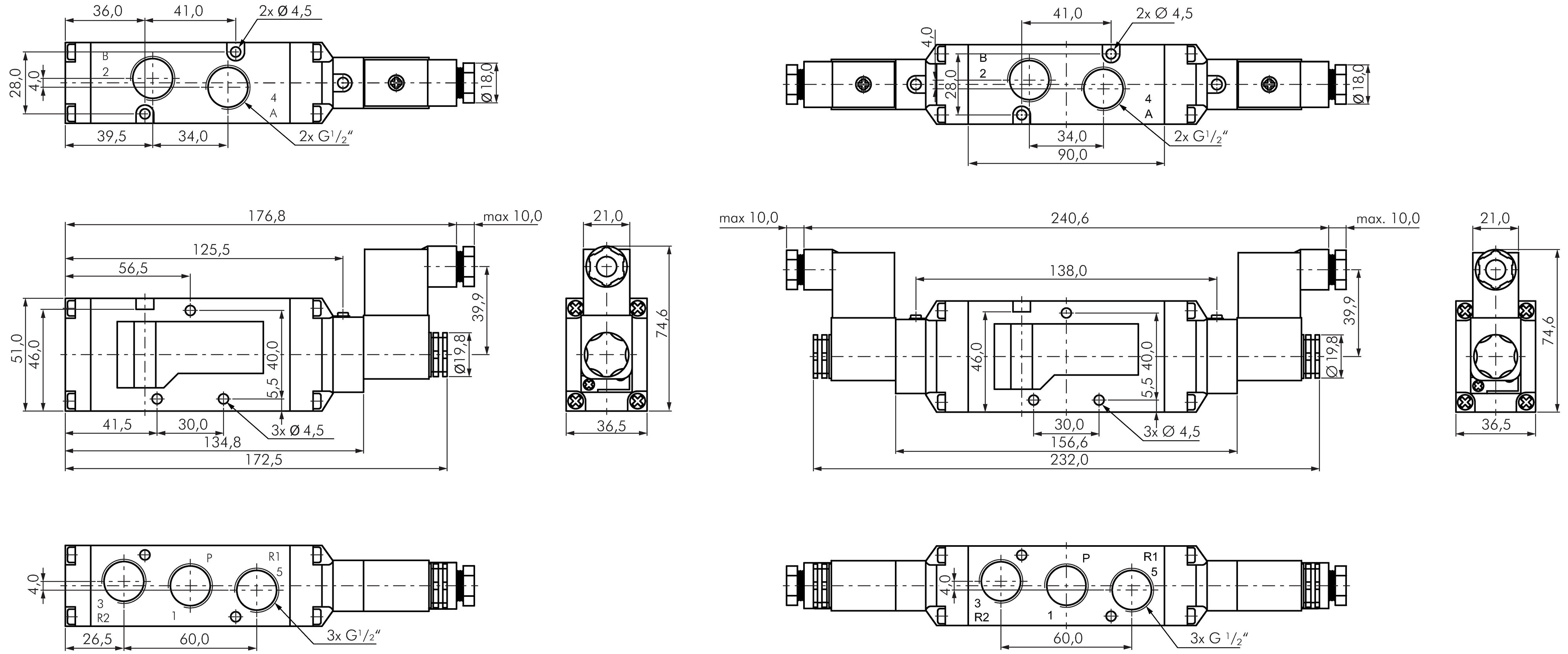
5/2-way solenoid valves G 1/2", Series SF6000

Exemplary representation: 5/2-way solenoid valve with spring return Exemplary representation: 5/2-way solenoid pulse valve Schematic symbol: 5/2-way solenoid valve with spring return Schematic symbol: 5/2-way solenoid pulse valve
Payment options:

Cash on delivery

Invoice