Item group

Adjustment units, for pneumatic cylinders ISO 15552 (will be discontinued)

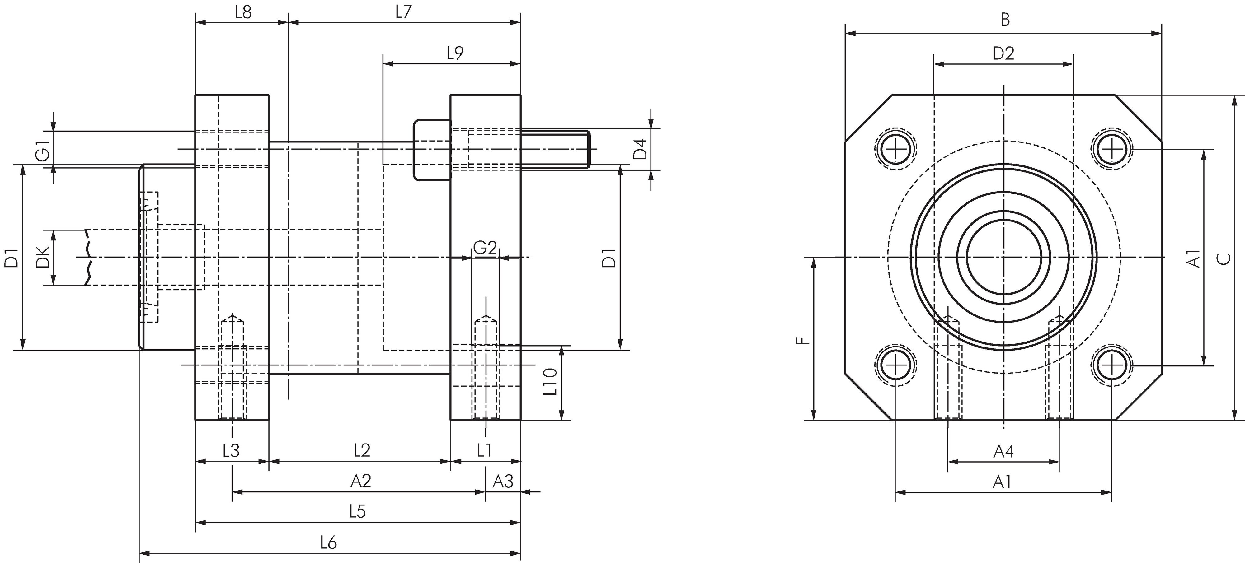
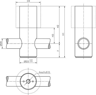
Exemplary representation: Locking unit, complete Application examples: installation example
Payment options:

Cash on delivery

Invoice