Item group

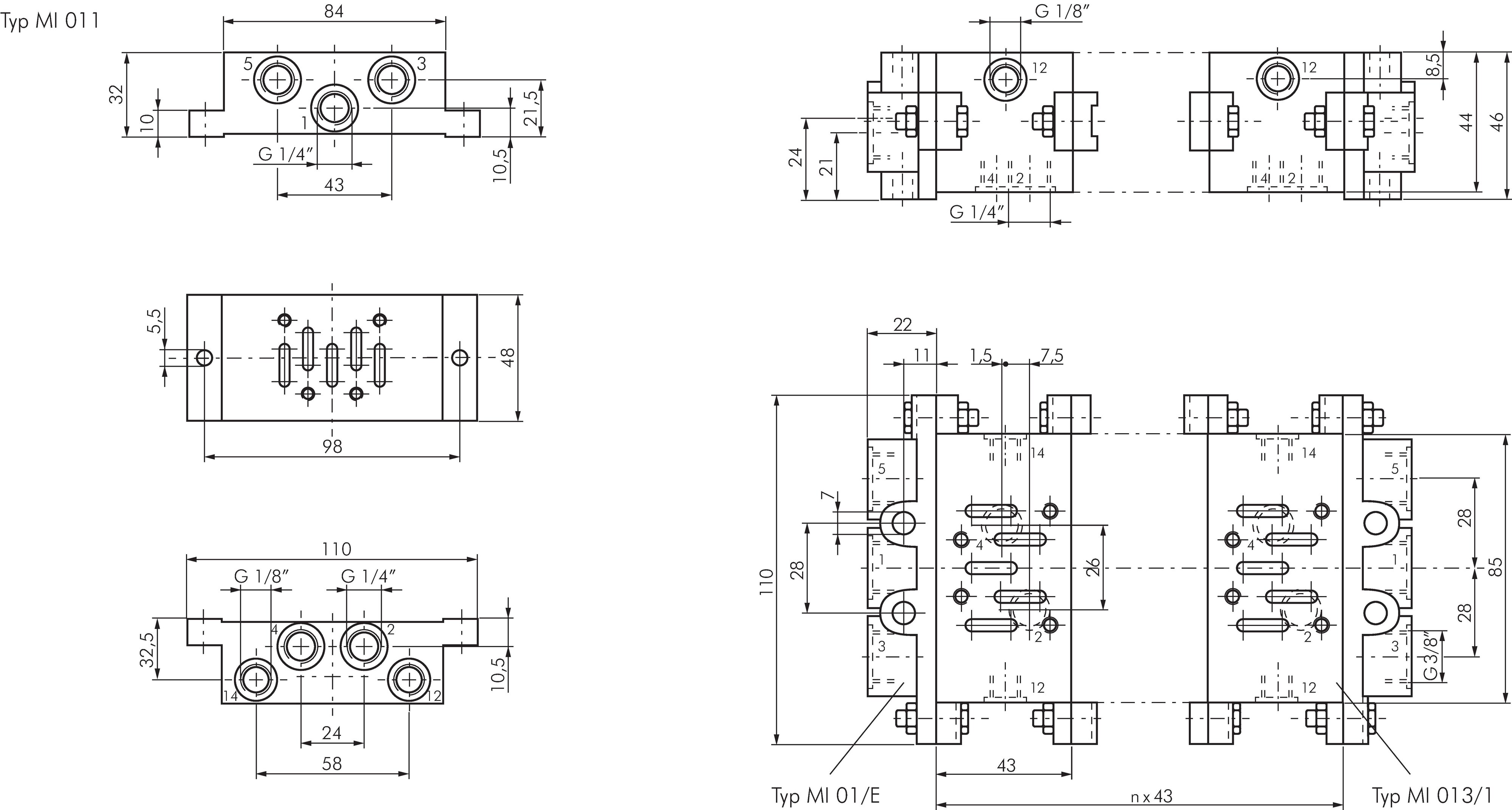
Base plates (ISO 5599-1), ISO size 1

Exemplary representation: Connection plate (ISO 5599-1)
Payment options:

Cash on delivery

Invoice