Item group

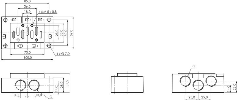
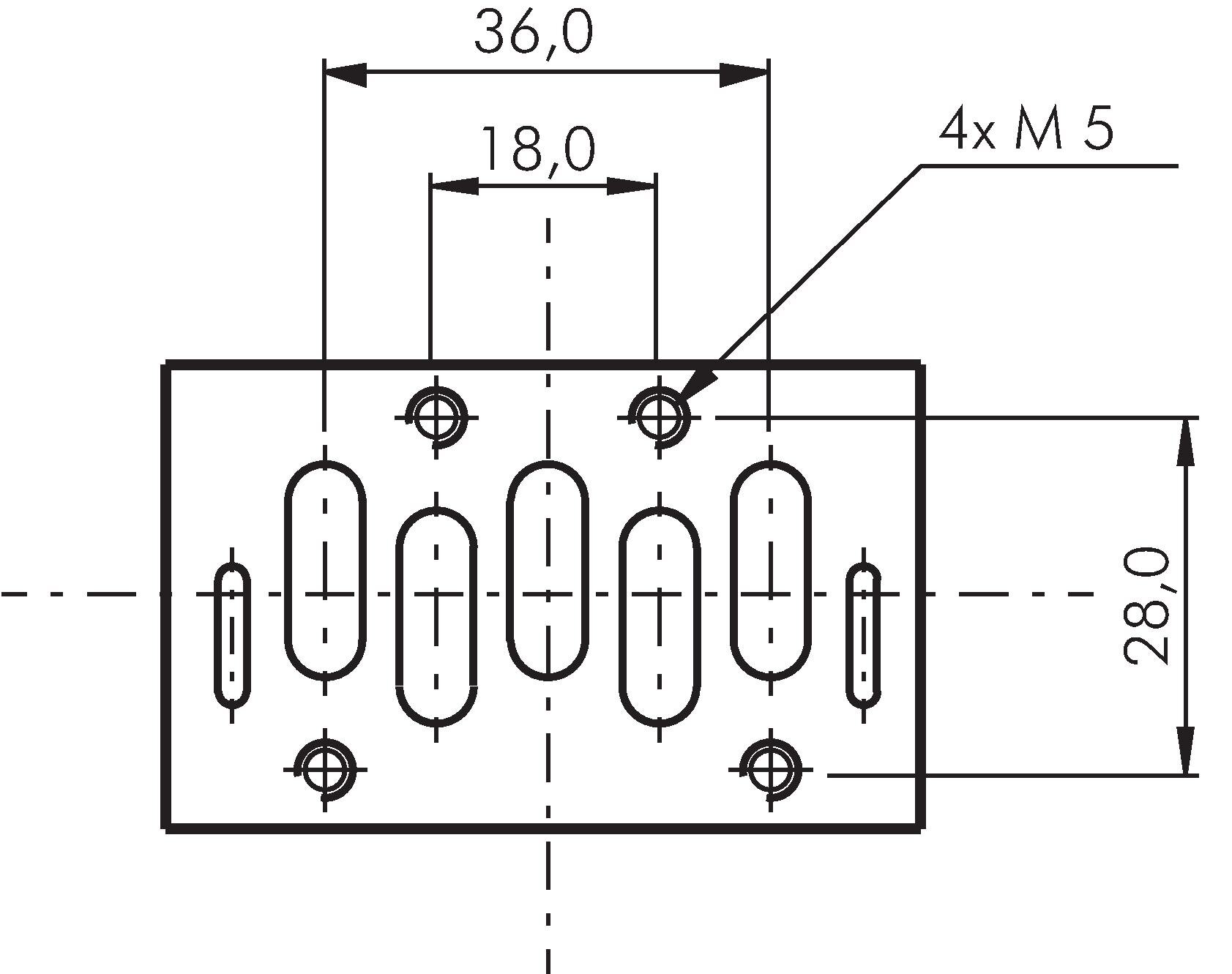
Base plates (ISO 5599-1), ISO size 1

Exemplary representation: ISO connection plate
Payment options:

Cash on delivery

Invoice