Item group

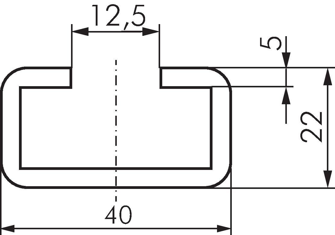
C-mounting rails (40 mm) - heavy model series 3015 T2

Application examples: C-carrier rail, heavy-duty series
Payment options:

Cash on delivery

Invoice