Item group

Cartridges*, Standard

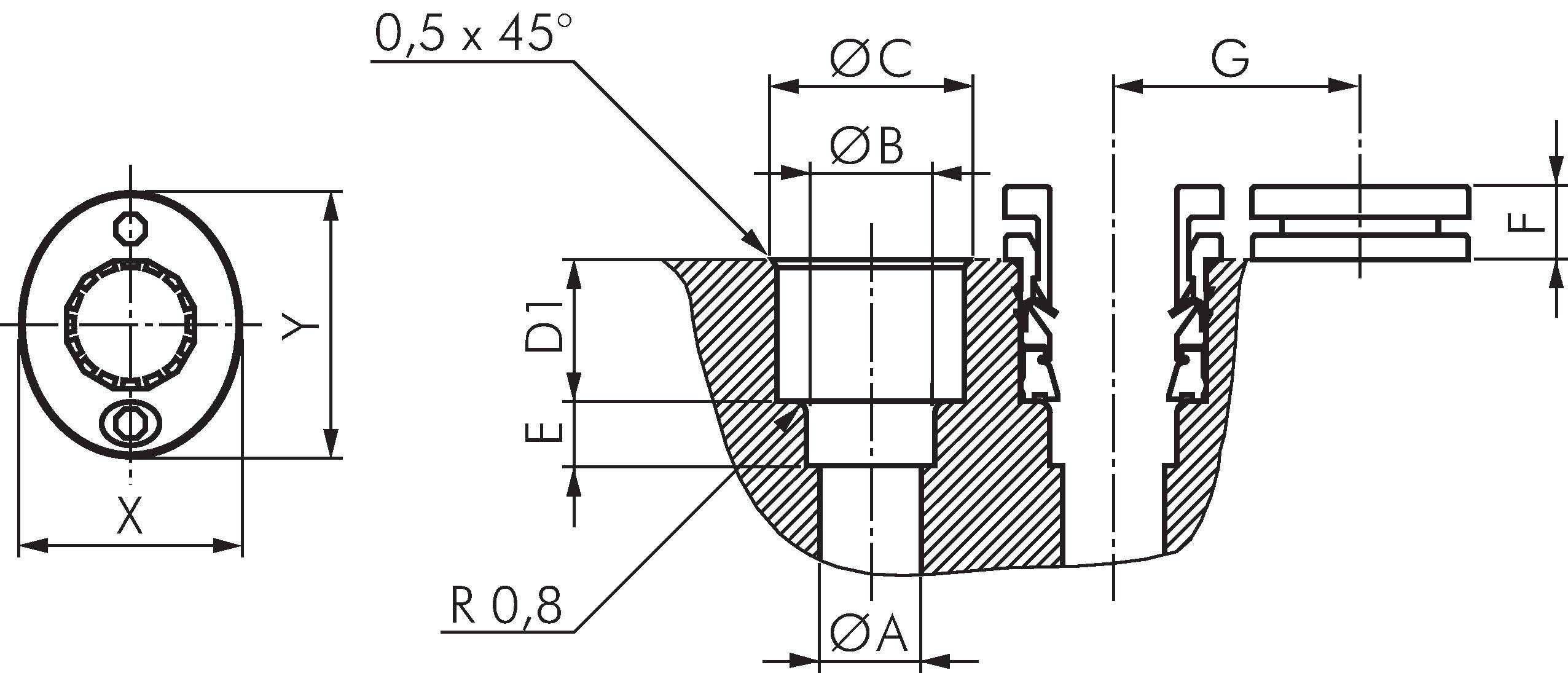
Exemplary representation: Press-fit cartridge with assembly lock
Payment options:

Cash on delivery

Invoice