Item group

Clean profile cylinders ISO 6431 standard model series

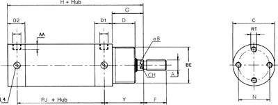
Exemplary representation: Clean-Profile stainless steel cylinder Schematic symbol: ZDPM Schematic symbol: ZDPMK
Payment options:

Cash on delivery

Invoice