Item group

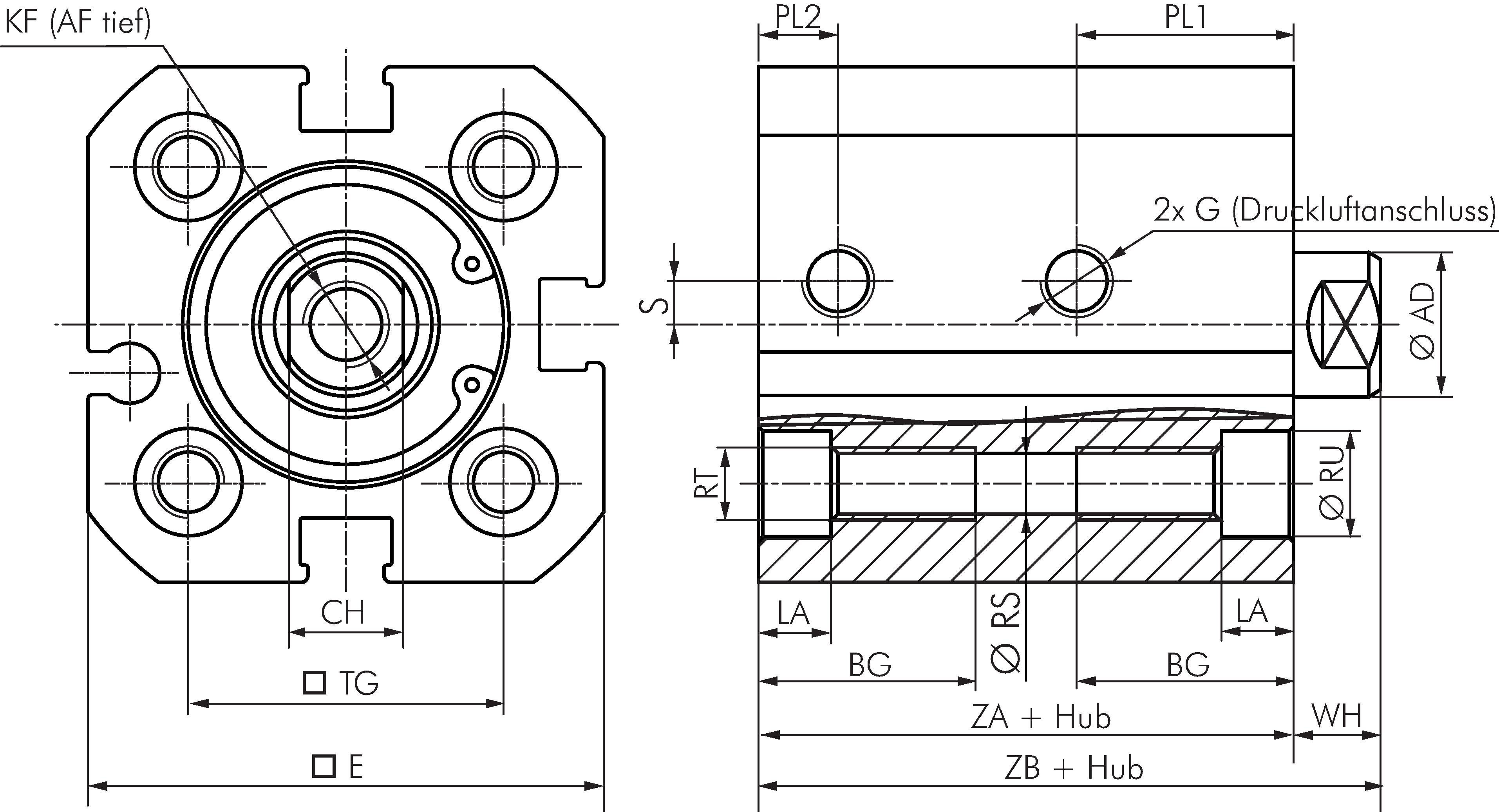
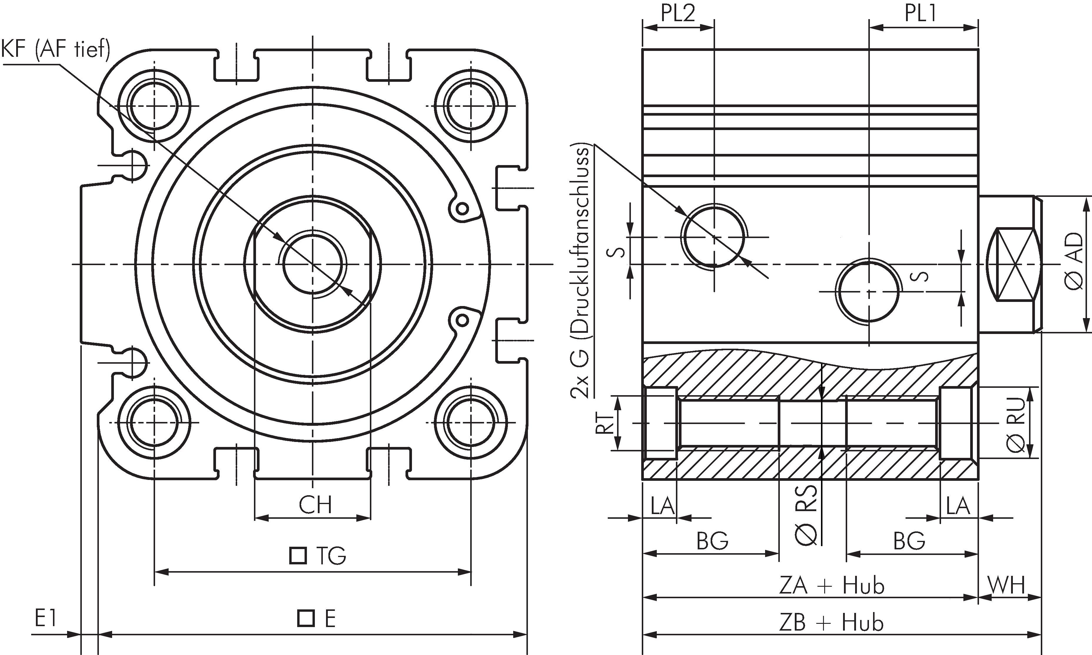
Compact cylinder, single action, ISO 21287 (Eco-Line)

Exemplary representation: Compact cylinder, single-acting, standard Exemplary representation: Compact cylinder, single-acting, piston rod with male thread Schematic symbol: Standard
Payment options:

Cash on delivery

Invoice