Item group

Compact swivel tables, EMQ

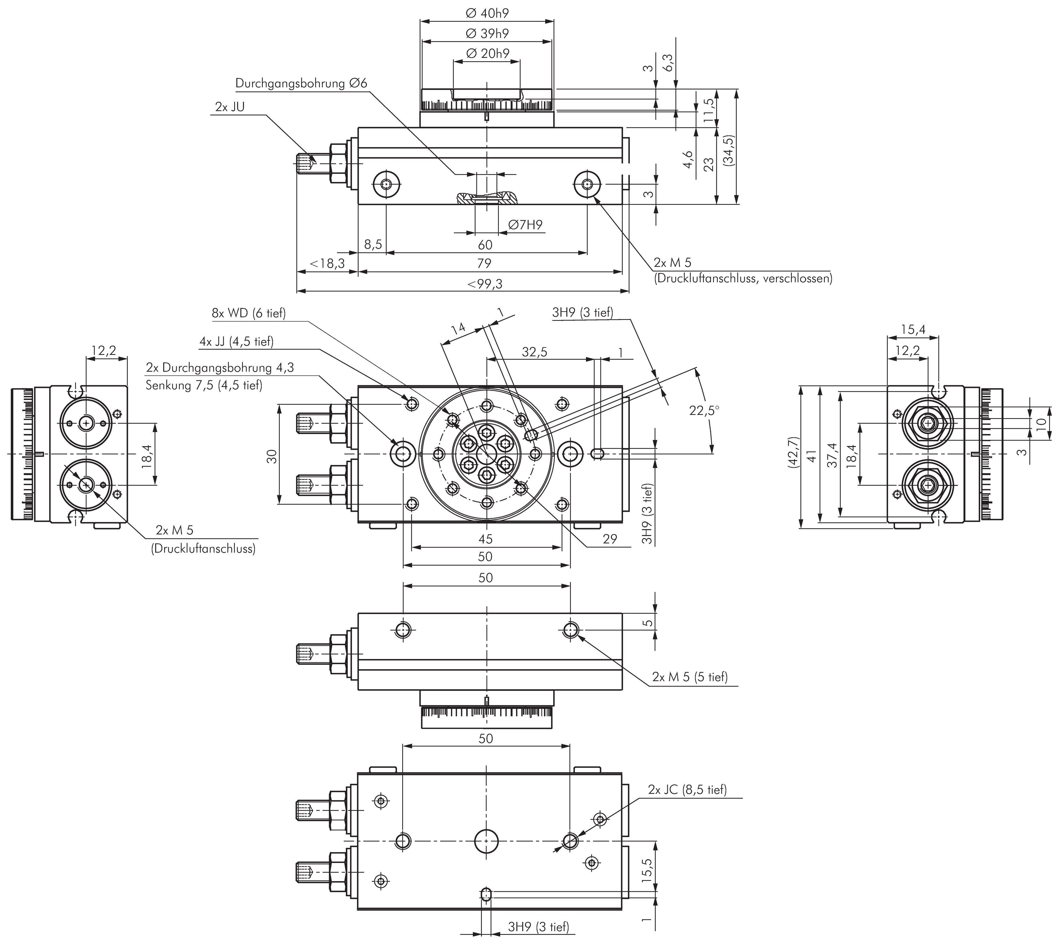
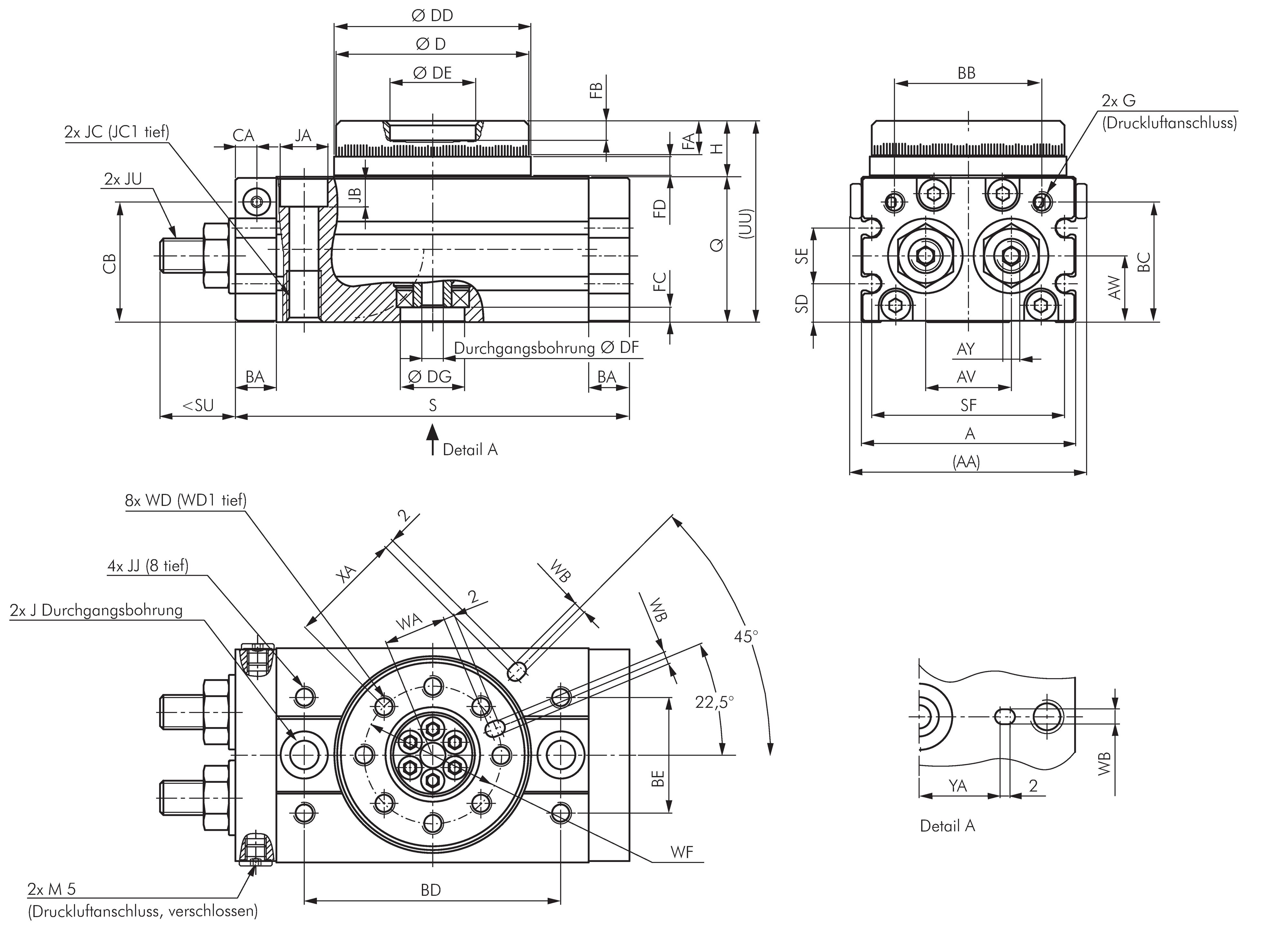
Exemplary representation: Compact swivelling table size 7 Exemplary representation: Compact swivelling table size 30 Schematic symbol: Swivel table
Payment options:

Cash on delivery

Invoice