Item group

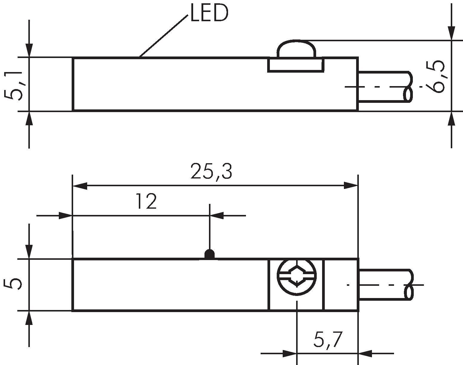
Cylinder switches with ATEX approval - T-groove (5 mm, not continuous)Type B

Exemplary representation: Cylinder switch with ATEX approval, T-slot Schematic symbol: fully electronic sensor
Payment options:

Cash on delivery

Invoice