Item group

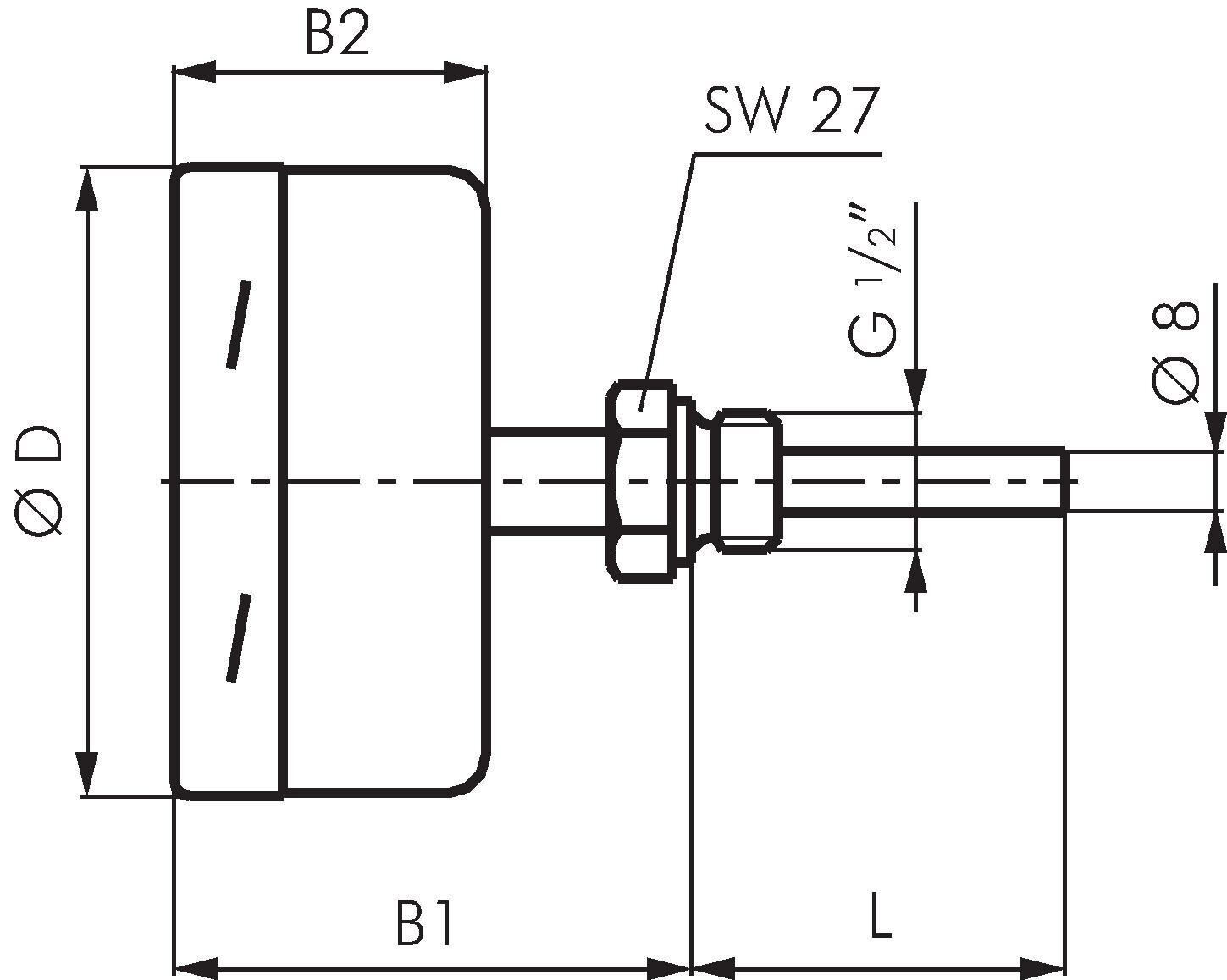
Horizontal bimetallic thermometer without thermowell - chemical version, Class 1,0

Exemplary representation: Horizontal bimetal thermometer without thermowell, chemical version
Payment options:

Cash on delivery

Invoice