Item group

Machine glass thermometer, Class 1.0

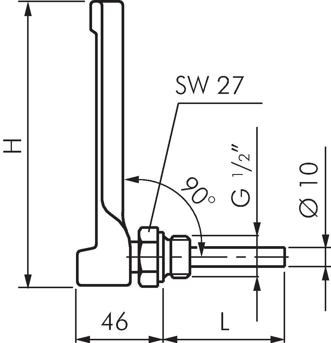
Exemplary representation: Glass machine thermometer, vertical version Exemplary representation: Glass machine thermometer, horizontal version
Payment options:

Cash on delivery

Invoice