Item group

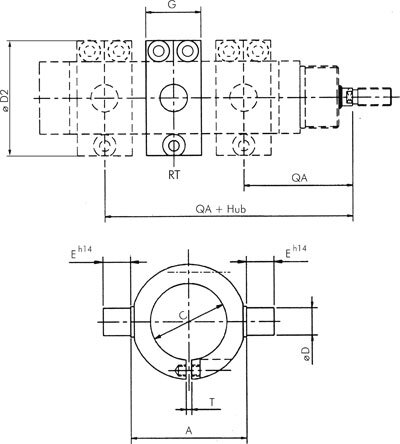
Middle swivel fastenings, for cylinders ISO 6431 (will be discontinued)

Payment options:

Cash on delivery

Invoice