Item group

Multi-pin terminal boxes G 1/8" for SF2000, Series MCS200 (will be discontinued)

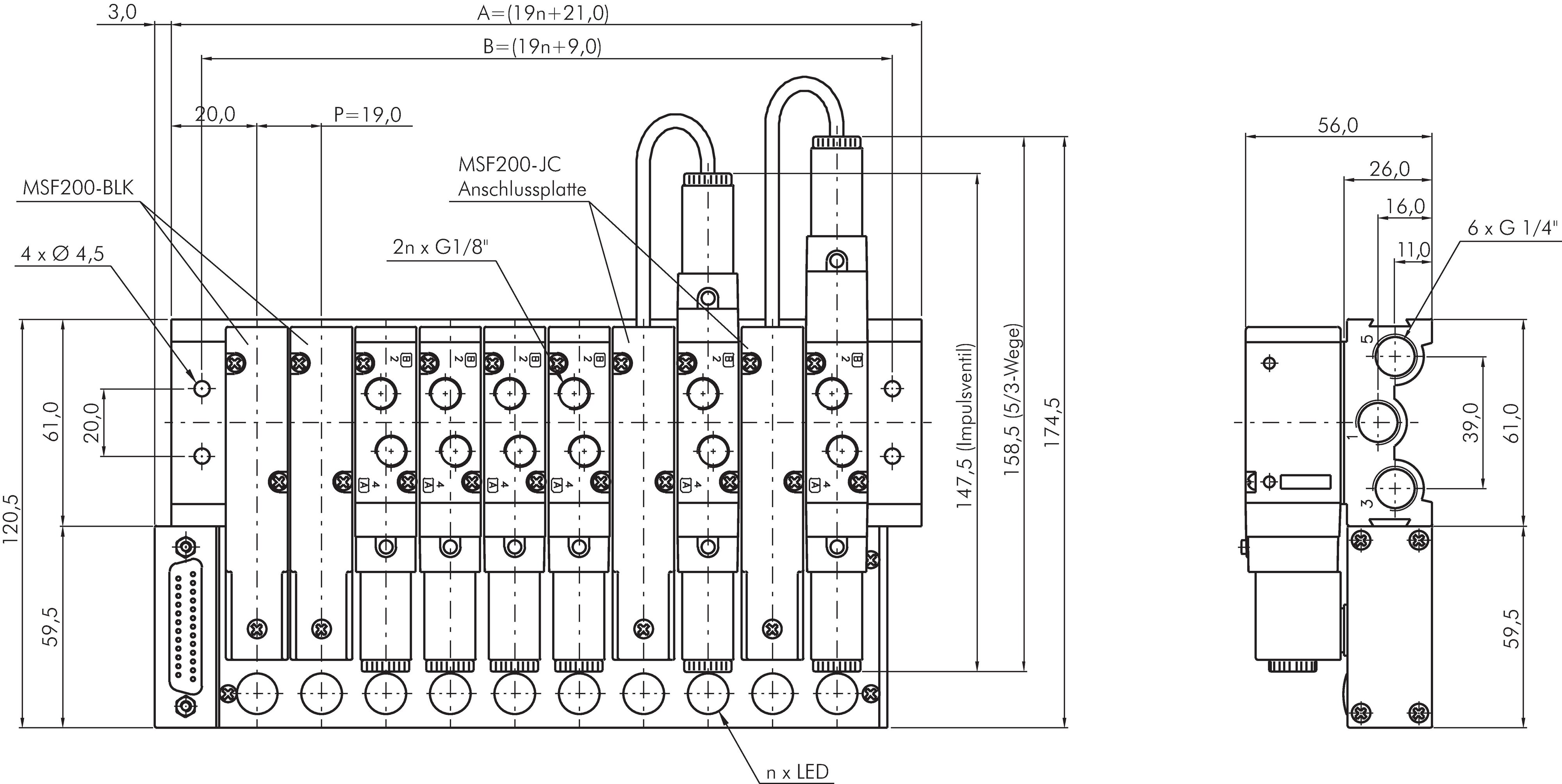
Exemplary representation: Multipole terminal box Application examples: Example of a complete constructed valve terminal Multipole
Payment options:

Cash on delivery

Invoice