Item group

Pressure regulators, Standard

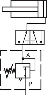
Exemplary representation: IQS pressure regulating valve thread/hose with pressure gauge Exemplary representation: IQS pressure regulating valve thread/hose without pressure gauge Exemplary representation: IQS pressure regulating valve hose/hose without pressure gauge Exemplary representation: IQS pressure regulating valve hose/hose with pressure gauge Schematic symbol: Use of IQS pressure regulating valve
Payment options:

Cash on delivery

Invoice