Item group

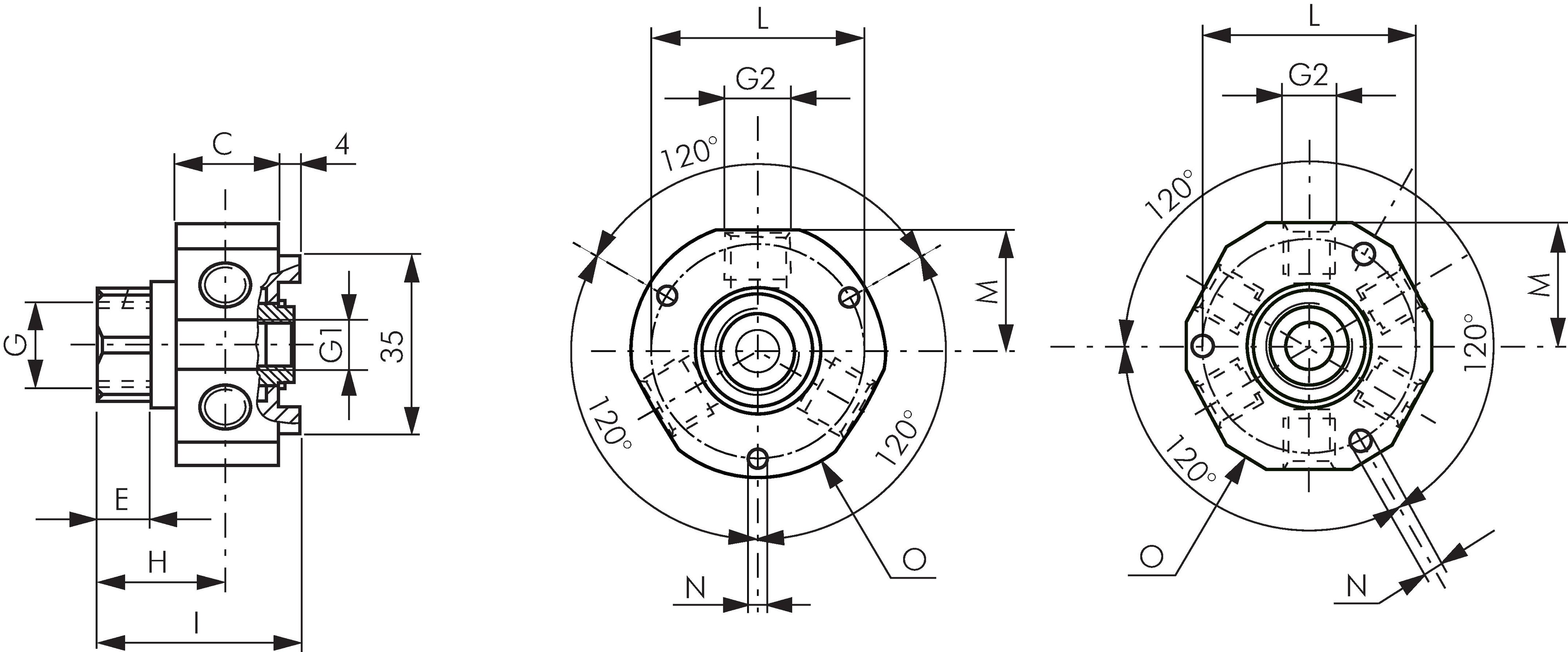
Rotary distributor, 3-X / 6-X, up to 300 min-1

Exemplary representation: Rotary distributor, 3-way, 6-way Schematic symbol: Rotary distributor, 3-way Schematic symbol: Rotary distributor, 6-way
Payment options:

Cash on delivery

Invoice