Item group

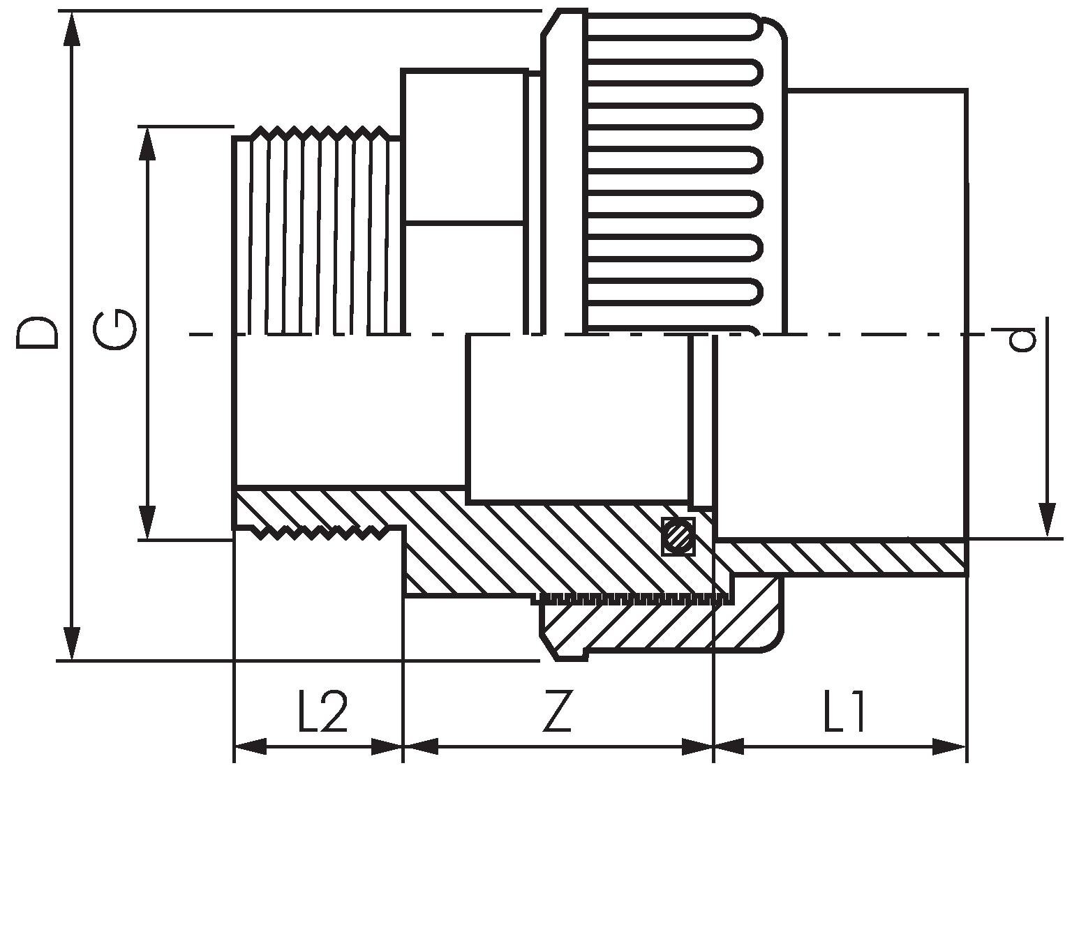
Screw connections with adhesive socket and male thread, PVC-U (only for plastic thread), PN 16

Exemplary representation: PVC screw connection with adhesive socket & male thread
Payment options:

Cash on delivery

Invoice