Item group

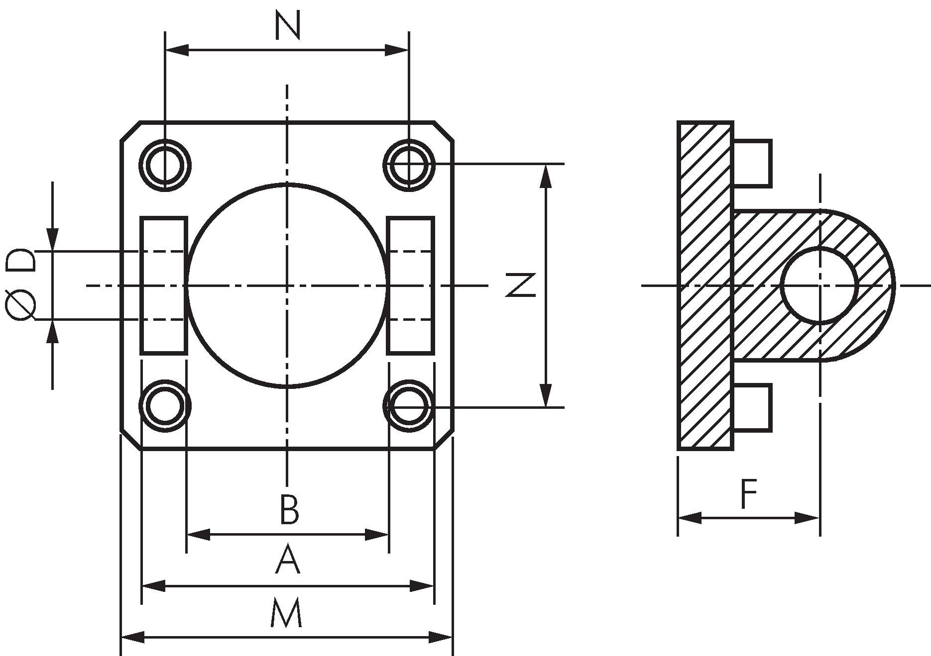
Swivel fixations fork, for compact cylinder ISO 21287

Exemplary representation: Swivel mounting fork for spherical tab
Payment options:

Cash on delivery

Invoice