Item group

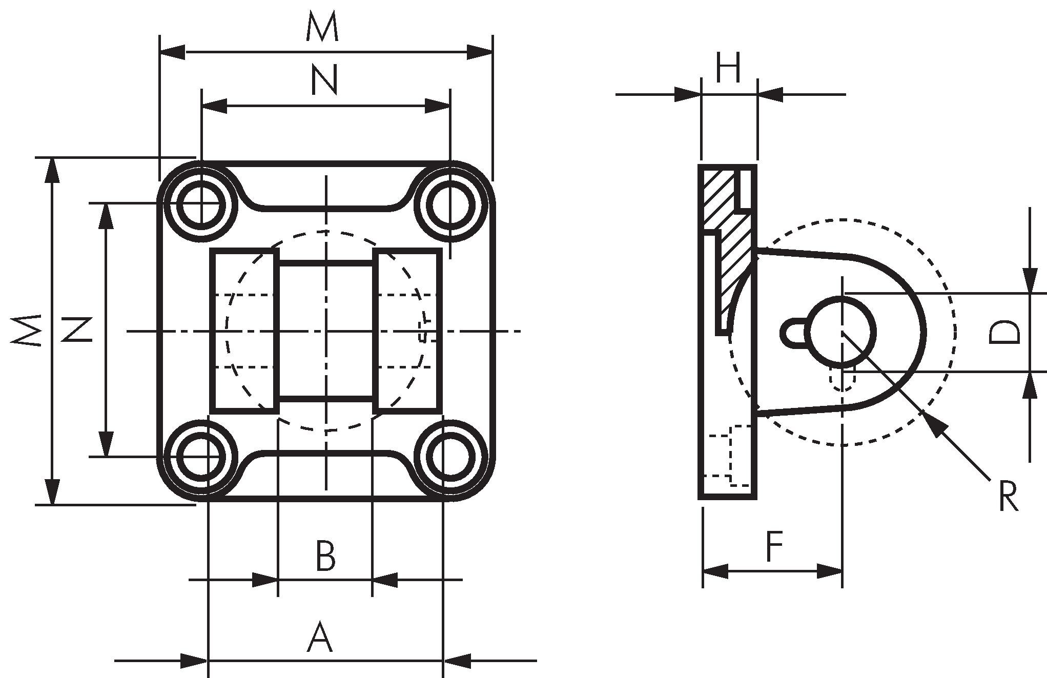
Swivel fixations fork for spherical lug, for compact cylinder ISO 21287

Exemplary representation: Swivel mounting fork for spherical tab, aluminium
Payment options:

Cash on delivery

Invoice