Item group

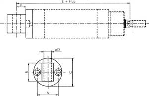
Swivel fixations lug, for cylinder ISO 6431 (will be discontinued)

Payment options:

Cash on delivery

Invoice